GM Service Manual Online
For 1990-2009 cars only
Makes
🢒
Cadillac
🢒
2006
🢒
Escalade EXT
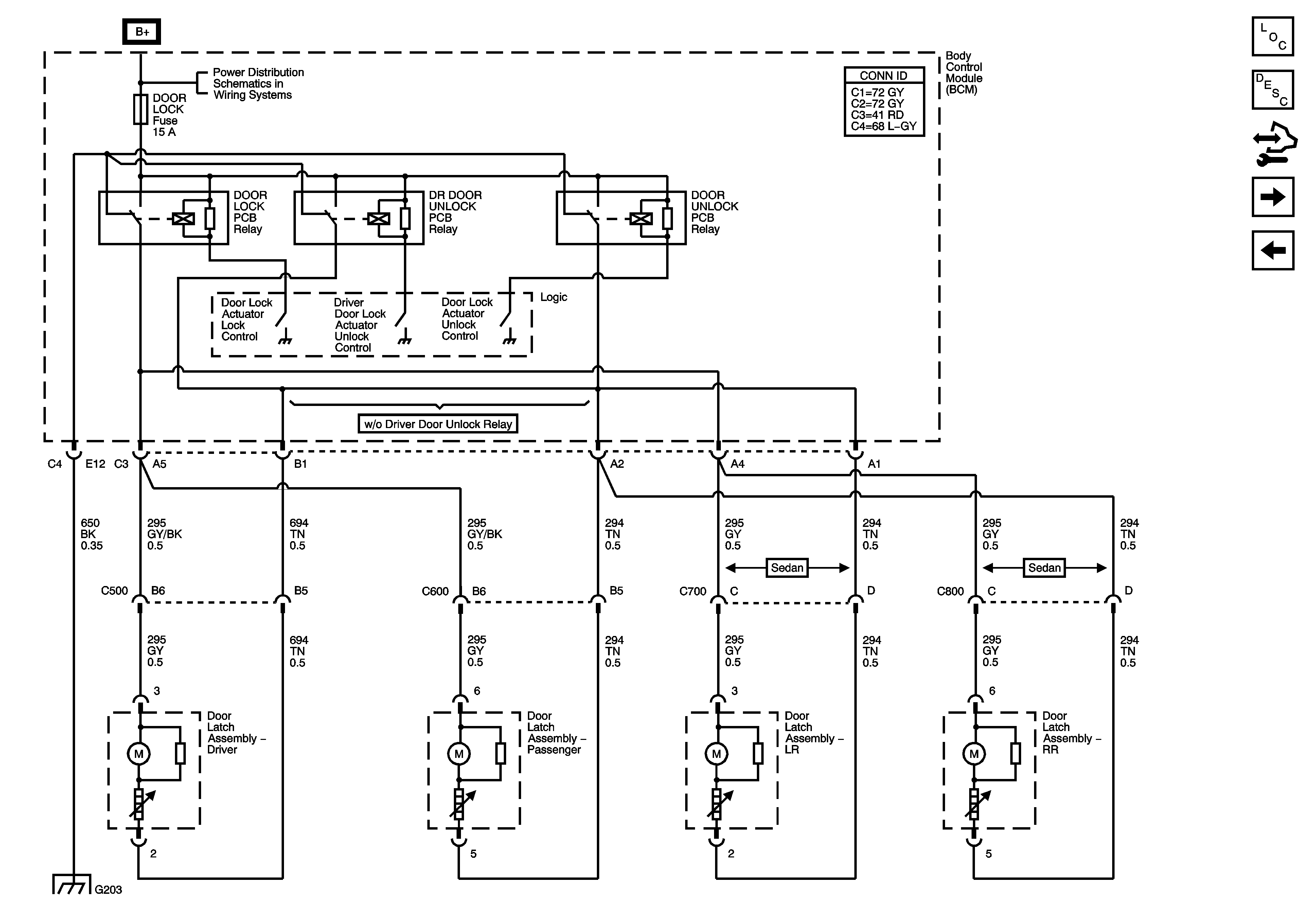
🢒 Door Lock Actuators
Door Lock Actuators
Door Lock Actuators
Master Electrical Component List
Power Door Locks Description and Operation
Control Module References
Door Ajar Indicators
Door Lock Switches
Underhood Fuse Block IBCM 2, Body Control Module (BCM) ACCESSORY Relay, DOOR LOCK, POWER WINDOWS, ROOF/HEAT SEAT and WPR SW Fuses