GM Service Manual Online
For 1990-2009 cars only

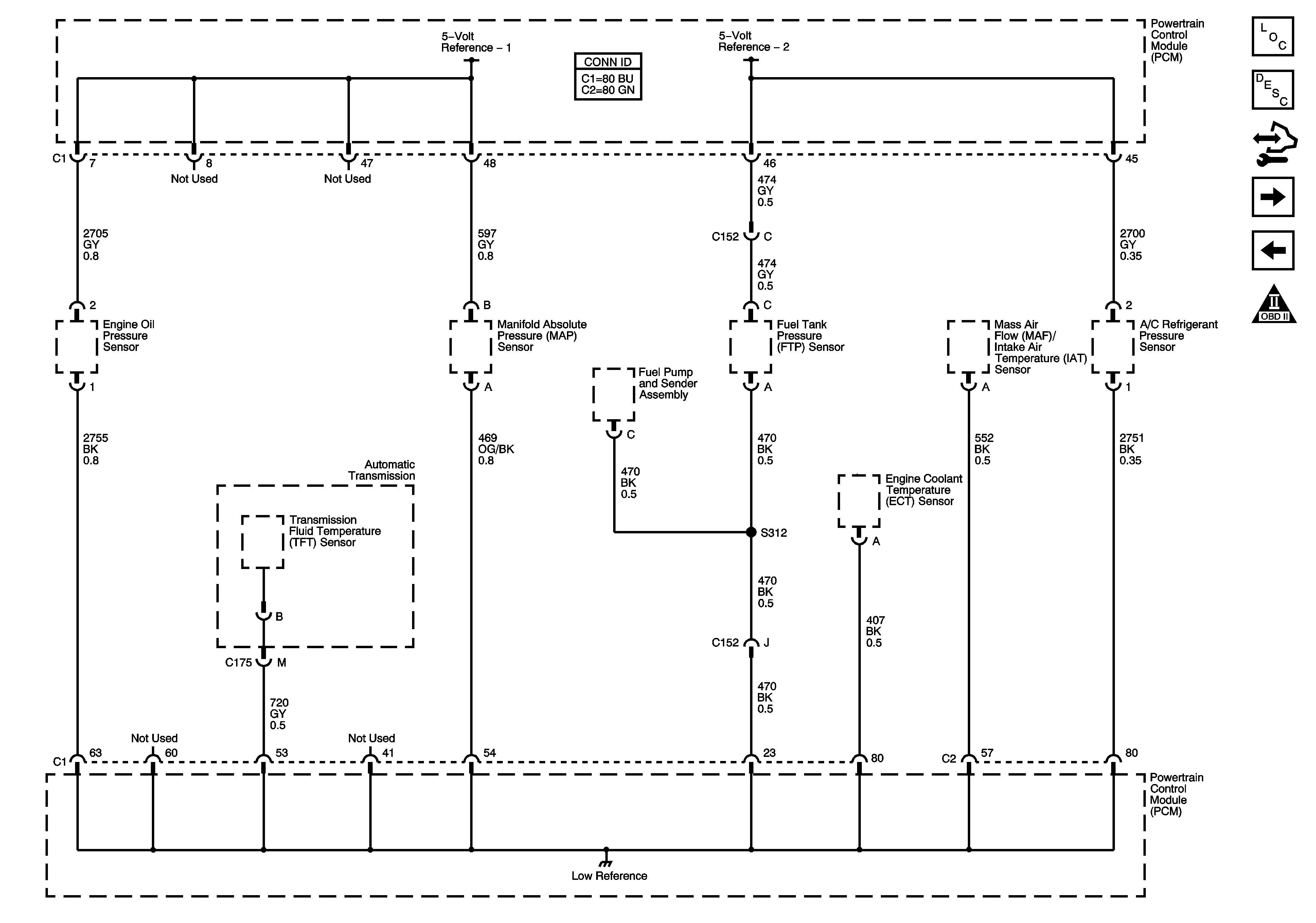
Engine Data Sensors - 5-Volt and Low Reference

Engine Data Sensors - 5-Volt and Low Reference


Object Number: 1576165  Size: FS
Master Electrical Component List
Powertrain Control Module Description
Control Module References
Engine Data Sensors - Pressure, Temperature, MAF, and VSS
Modular Power, Ground, Serial Data, and MIL
Engine Controls Schematic Icons