GM Service Manual Online
For 1990-2009 cars only
Makes
🢒
Cadillac
🢒
2006
🢒
Escalade EXT
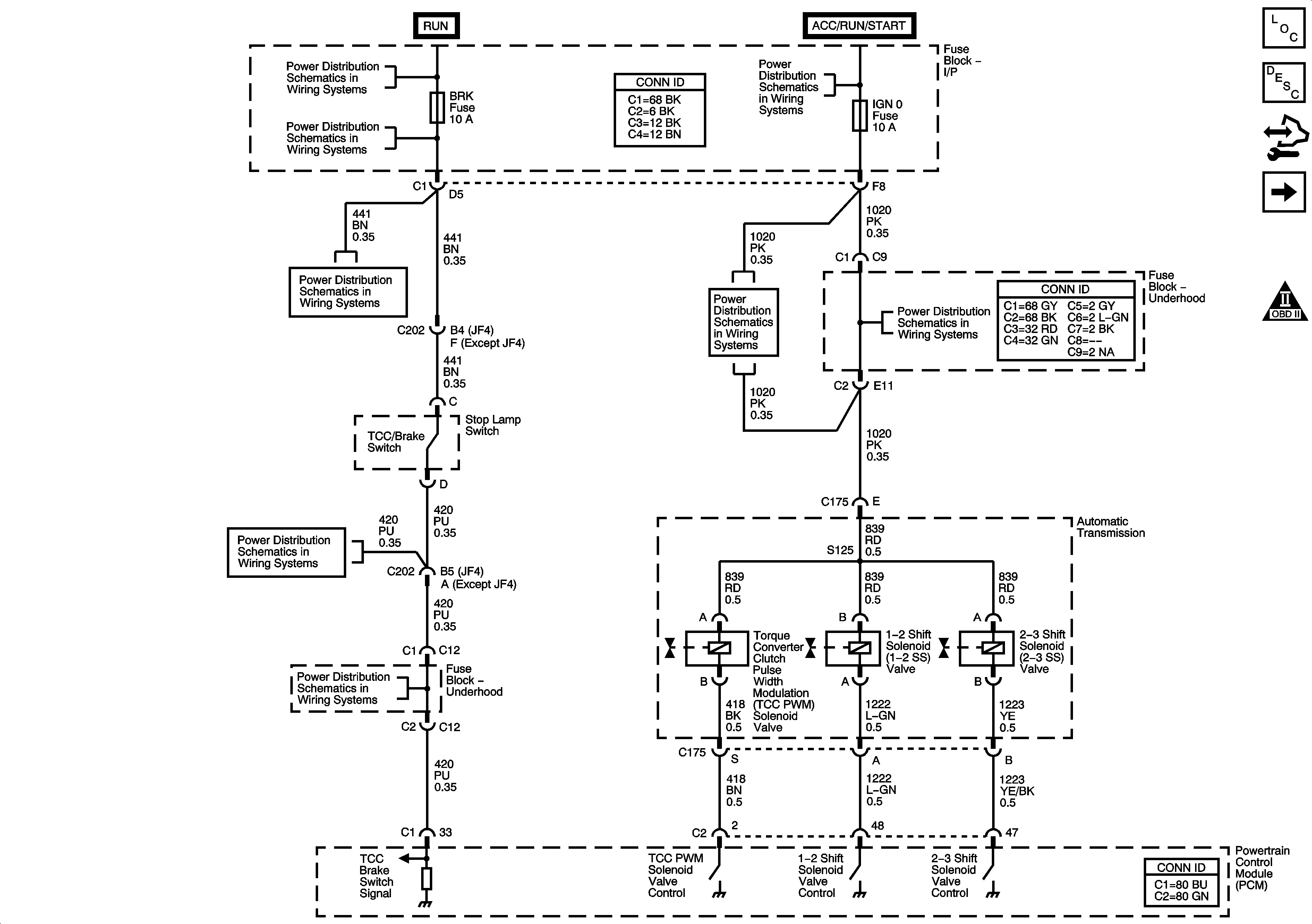
🢒 Shift Controls and Stop Lamp Switch
Shift Controls and Stop Lamp Switch
Shift Controls and Stop Lamp Switch
Master Electrical Component List
Electronic Component Description
Control Module References
Pressure Controls, Temperature, and VSS
Automatic Transmission Schematic Icons