GM Service Manual Online
For 1990-2009 cars only
Makes
🢒
Cadillac
🢒
2006
🢒
Escalade EXT
🢒 Air Temperature and Mode Controls
Air Temperature and Mode Controls
Air Temperature and Mode Controls
Master Electrical Component List
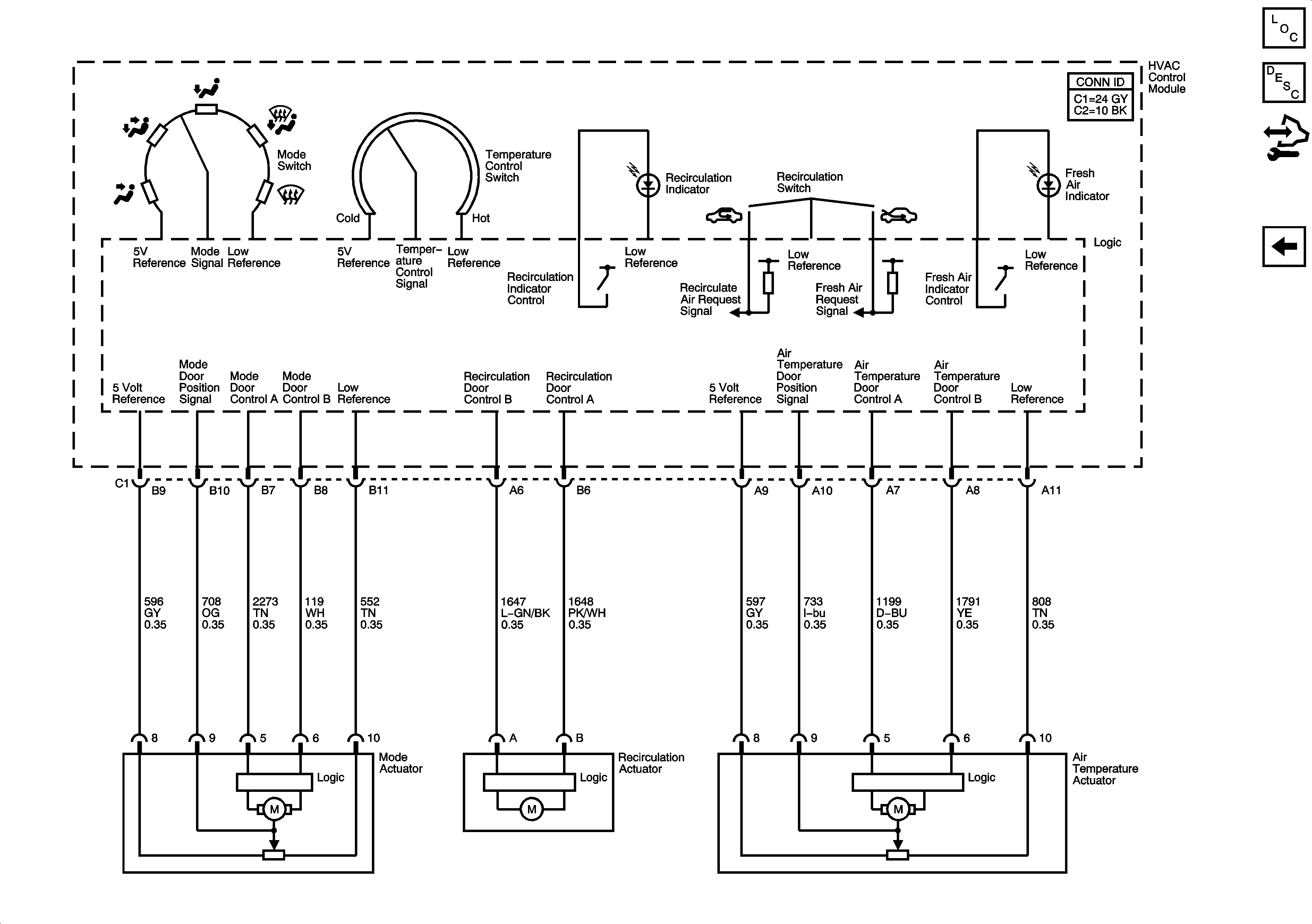
Air Temperature Description and Operation
Control Module References
Ambient Air Temperature Sensor and Compressor Controls