GM Service Manual Online
For 1990-2009 cars only
Makes
🢒
Cadillac
🢒
2006
🢒
Escalade EXT
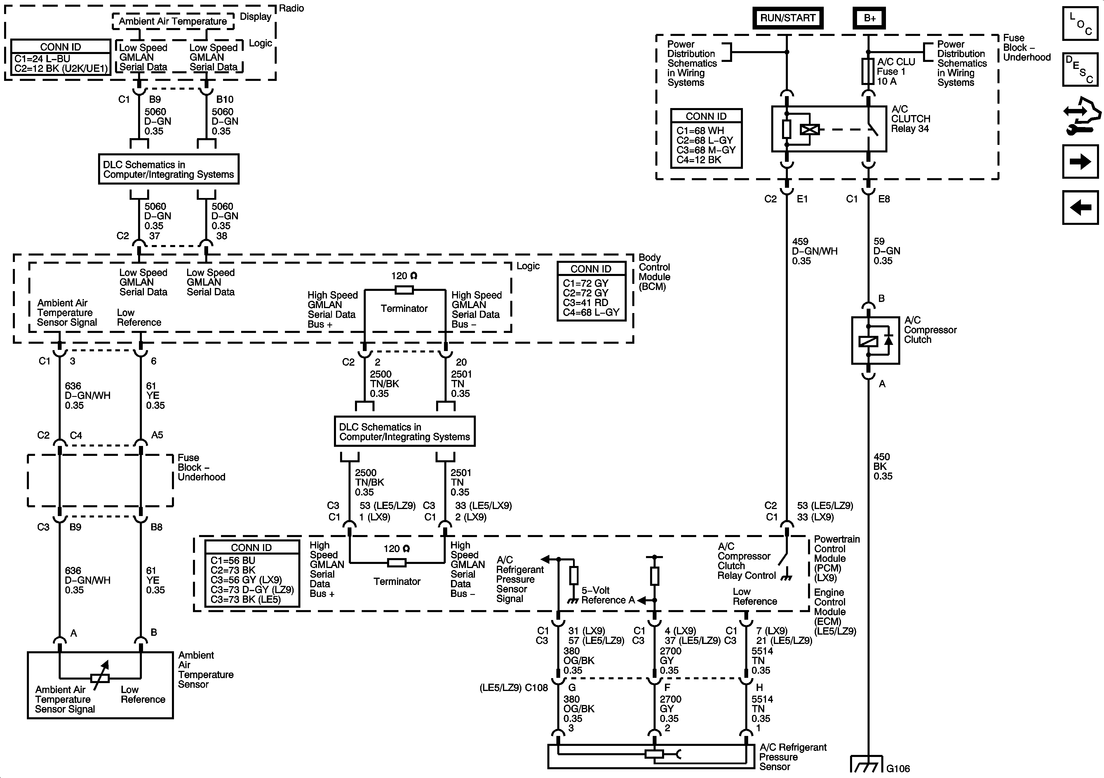
🢒 Ambient Air Temperature Sensor and Compressor Controls
Ambient Air Temperature Sensor and Compressor Controls
Compressor Controls
Master Electrical Component List
Air Temperature Description and Operation
Control Module References
Air Temperature and Mode Controls
Blower Motor Controls, Power and Ground
Low Speed Serial Data
Underhood Fuse Block - B+
Underhood Fuse Block - B+
Power, Ground, Serial Data, High Speed GMLAN
G106