GM Service Manual Online
For 1990-2009 cars only
Makes
🢒
Cadillac
🢒
2006
🢒
Escalade EXT
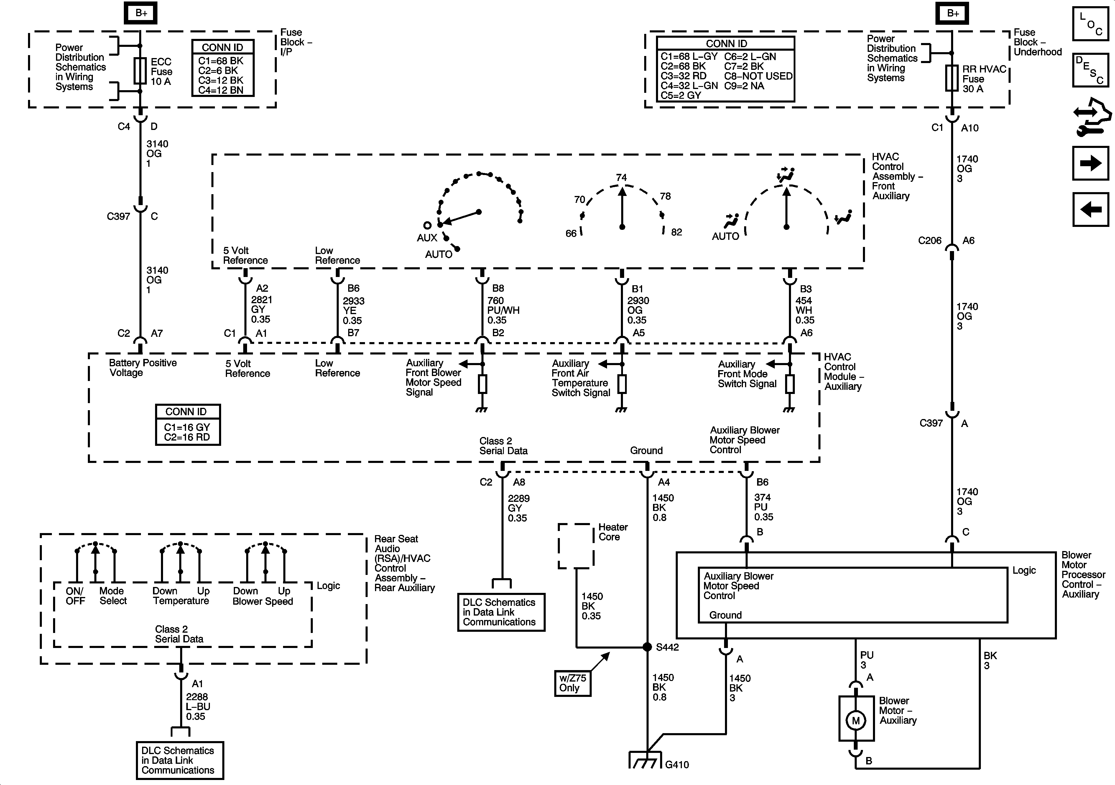
🢒 Auxiliary HVAC Controls, Long Wheelbase - 1 of 2
Auxiliary HVAC Controls, Long Wheelbase - 1 of 2
Auxiliary HVAC Controls - Power, Ground, Serial Data, and Auxiliary Blower Control
Master Electrical Component List
Air Delivery Description and Operation
Control Module References
Auxiliary HVAC Controls, Long Wheelbase - 2 of 2
Front Air Temperature Sensors
AUX PWR, AUX PWR 2, DDM, ECC, LBEC 2, LOCKS, PCM B, and PDM Fuses
B+ Bus - 1 of 2
G410 3 of 3 Auxiliary HVAC, Short Wheelbase
DLC SP206
Power, Outside Air Temp, and Light Sensors