GM Service Manual Online
For 1990-2009 cars only
Makes
🢒
Cadillac
🢒
2006
🢒
Escalade EXT
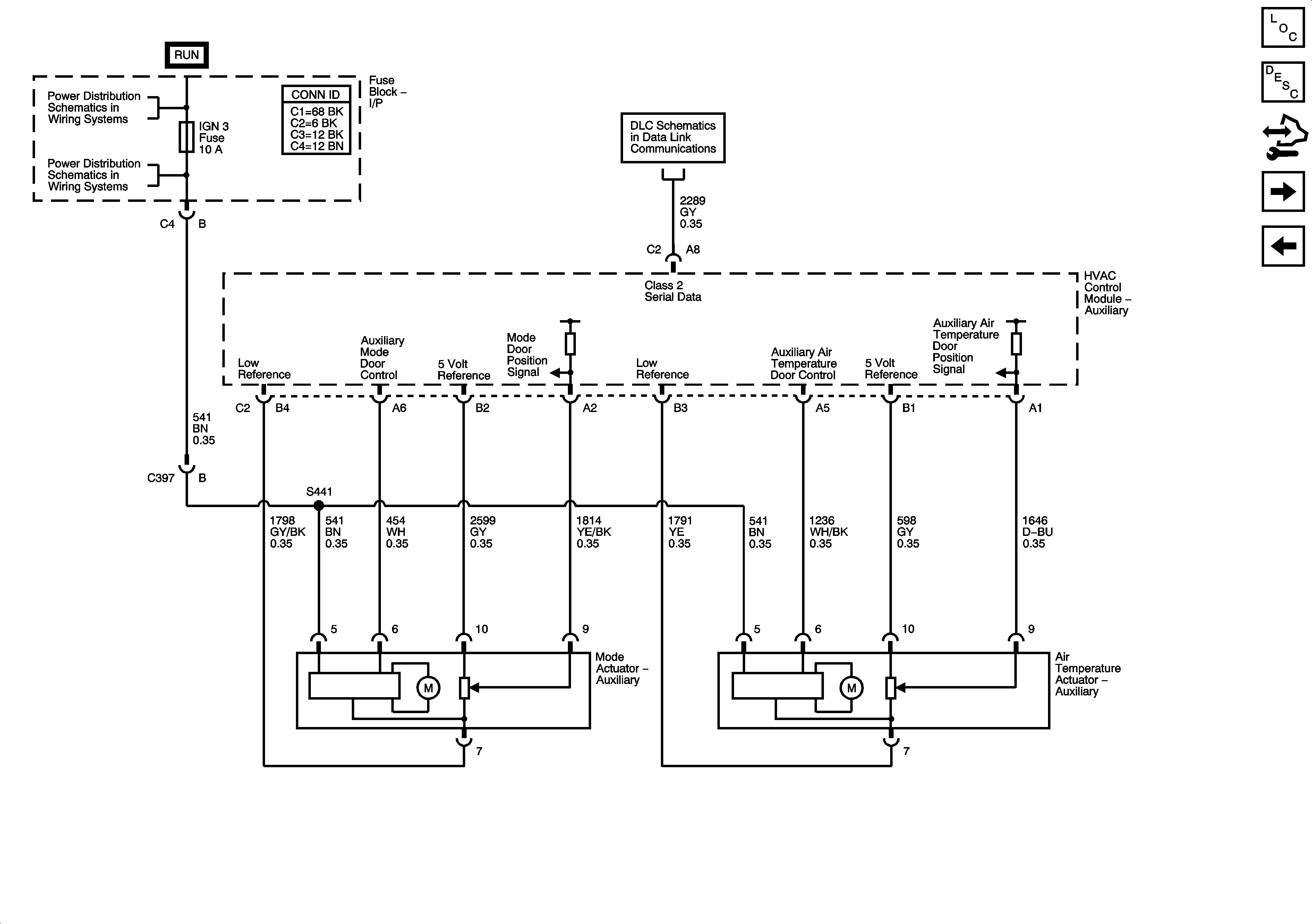
🢒 Auxiliary HVAC Controls, Short Wheelbase - 2 of 2
Auxiliary HVAC Controls, Short Wheelbase - 2 of 2
Auxiliary HVAC Controls, Short Wheelbase 2 of 2
Master Electrical Component List
Air Temperature Description and Operation
Control Module References
Auxiliary Temperature Sensors
Auxiliary HVAC Controls, Short Wheelbase - 1 of 2
Ignition Switch - ACCY/RUN/START, RUN, and START Busses, IGN A and CRANK Fuses
IGN 3 Fuse - 1 of 2
DLC SP206