GM Service Manual Online
For 1990-2009 cars only
Makes
🢒
Cadillac
🢒
2006
🢒
Escalade EXT
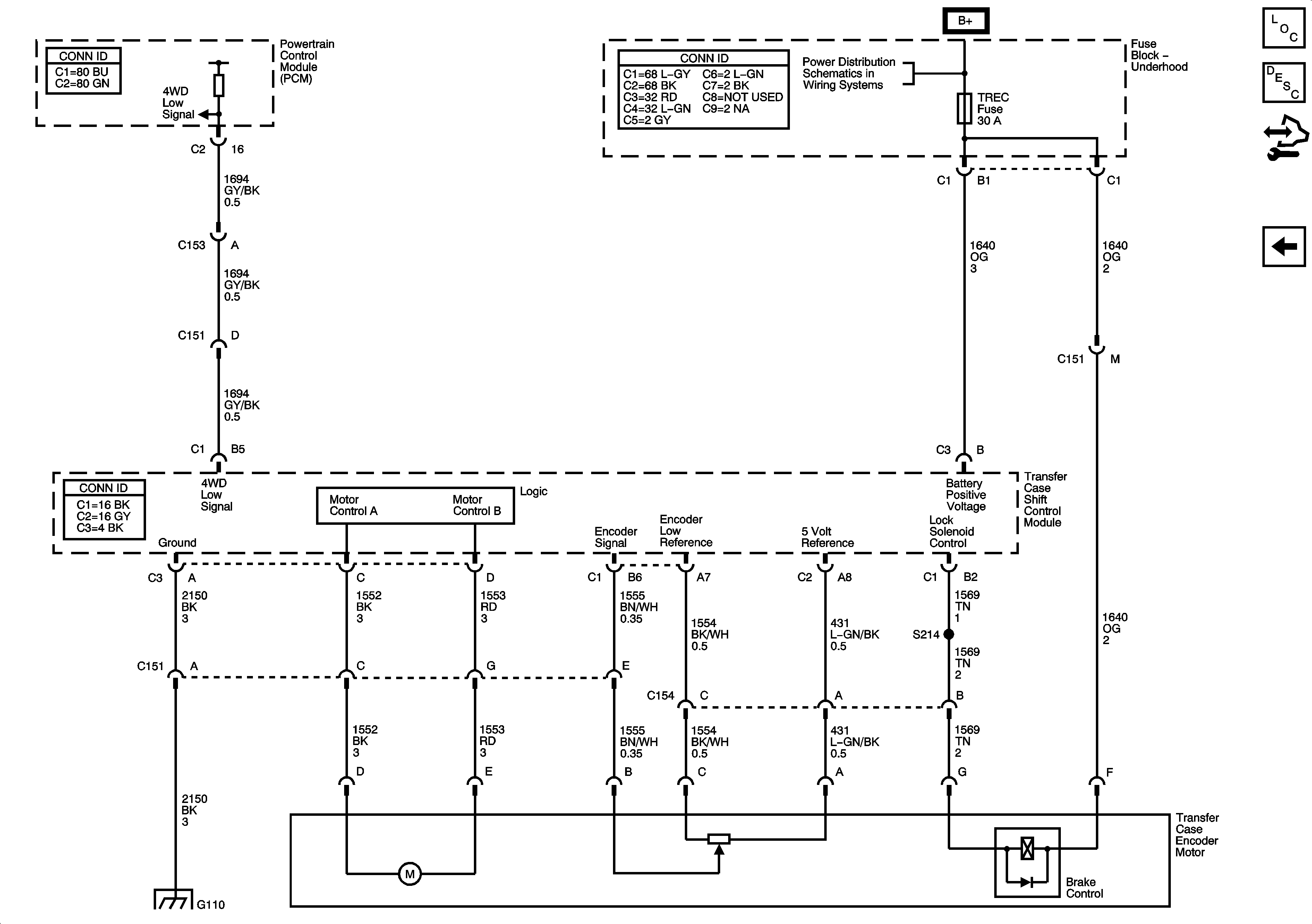
🢒 Shift Motor and Encoder Circuits
Shift Motor and Encoder Circuits
Shift Motor and Encoder Circuits
Master Electrical Component List
Transfer Case Description and Operation
Control Module References
Propshaft Speed Sensors and Front Axle Actuator
B+ Bus - 1 of 2
G101 and G110