GM Service Manual Online
For 1990-2009 cars only
Makes
🢒
Cadillac
🢒
2006
🢒
Escalade EXT
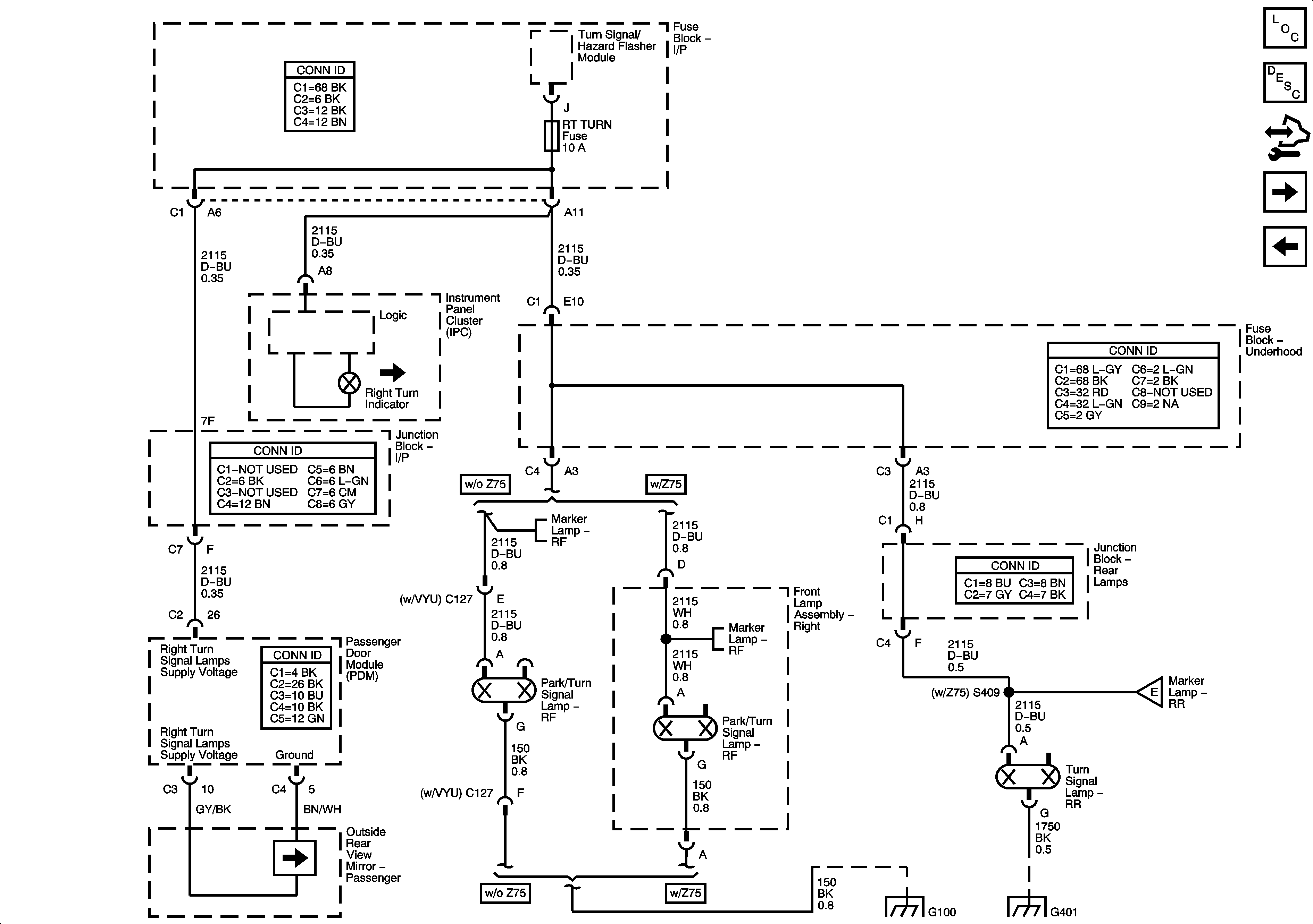
🢒 Right Turn Signals - w/o VD1
Right Turn Signals - w/o VD1
Right Turn Signals - w/o VD1
Master Electrical Component List
Exterior Lighting Systems Description and Operation
Control Module References
Right Turn Signals - w/ VD1
Left Turn Signals - w/ VD1
Front Park Lamps - w/o Z75/VD1
Front Park Lamps - w/ Z75
Rear Park Lamps - w/ Z75
G401 and G402
G100, G105 2 of 4