GM Service Manual Online
For 1990-2009 cars only
Makes
🢒
Cadillac
🢒
2006
🢒
Escalade EXT
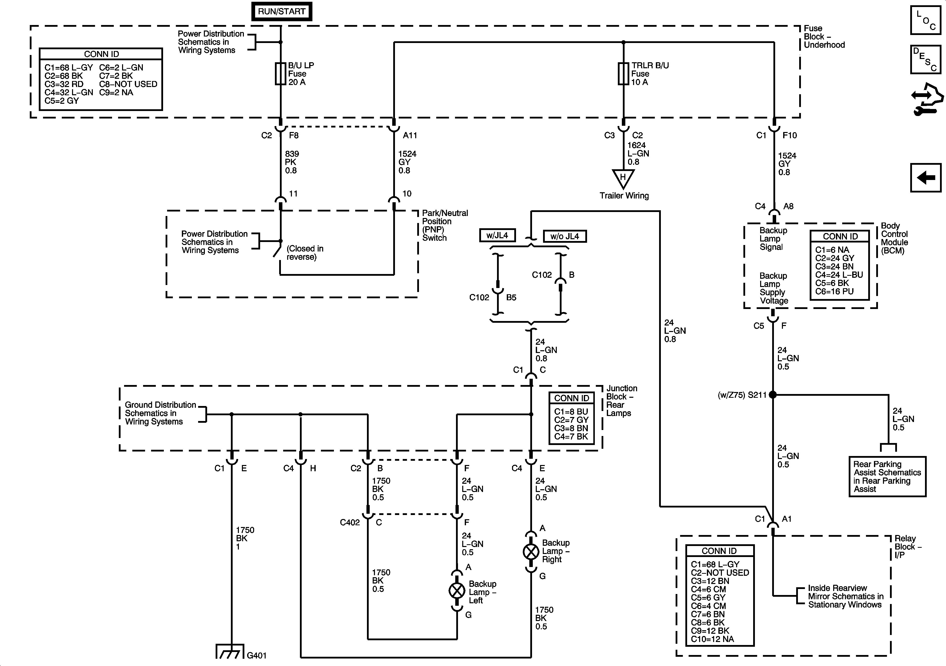
🢒 Backup Lamps
Backup Lamps
Backup Lamps
Master Electrical Component List
Exterior Lighting Systems Description and Operation
Control Module References
Trailer Wiring
Ignition Switch - ACCY/RUN, and RUN/START Busses, and IGN B Fuses
BTSI, B/U LP, O2A, O2B, SEO IGN, TBC IGN 1, and RL B/U Fuses
Trailer Wiring
Rear Object Sensor Control Module, RPA Display, and RPA Disable Switch - Escalade except EXT
Ground and Electrochromic
G401 and G402
G401 and G402