GM Service Manual Online
For 1990-2009 cars only
Makes
🢒
Cadillac
🢒
2006
🢒
Escalade EXT
🢒 Interior Lamps - Tahoe, Yukon, and Escalade
Interior Lamps - Tahoe, Yukon, and Escalade
Interior Lamps - Tahoe, Yukon, and Escalade
Master Electrical Component List
Interior Lighting Systems Description and Operation
Control Module References
Interior Lamps - Avalanche and Escalade EXT
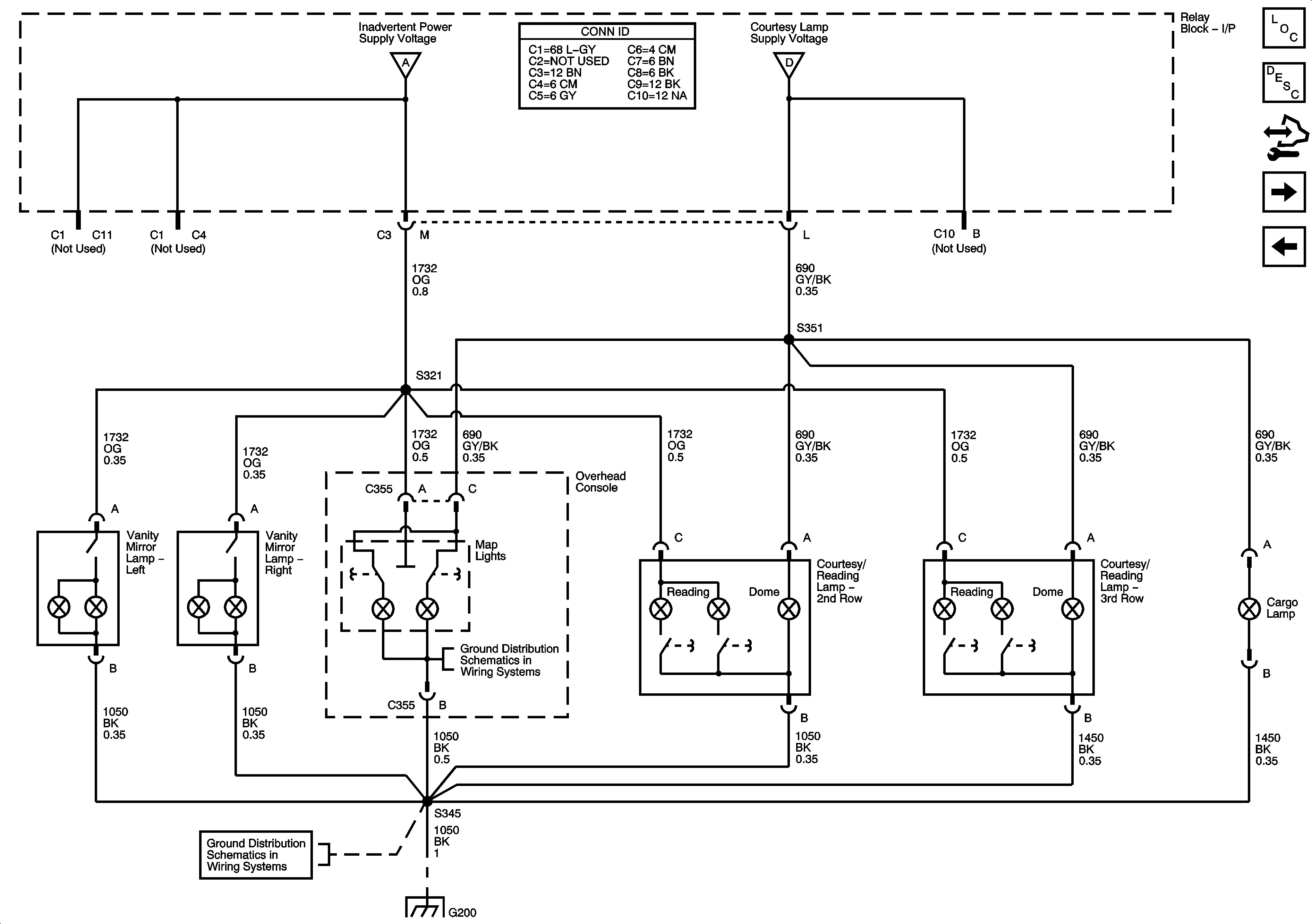
Headlamp Switches, Courtesy Lamp and Inadvertent Voltage Supplies
Headlamp Switches, Courtesy Lamp and Inadvertent Voltage Supplies
Headlamp Switches, Courtesy Lamp and Inadvertent Voltage Supplies
G200 3 of 3
G200 3 of 3
G200 3 of 3