GM Service Manual Online
For 1990-2009 cars only
Makes
🢒
Cadillac
🢒
2006
🢒
Escalade EXT
🢒 Interior Lamps - Suburban, Yukon XL, and Escalade ESV w/o ULT
Interior Lamps - Suburban, Yukon XL, and Escalade ESV w/o ULT
Interior Lamps - Suburban, Yukon XL, and Escalade ESV w/o ULT
Master Electrical Component List
Interior Lighting Systems Description and Operation
Control Module References
Interior Lamps - 3rd Row and Cargo - Escalade ESV w/ ULT
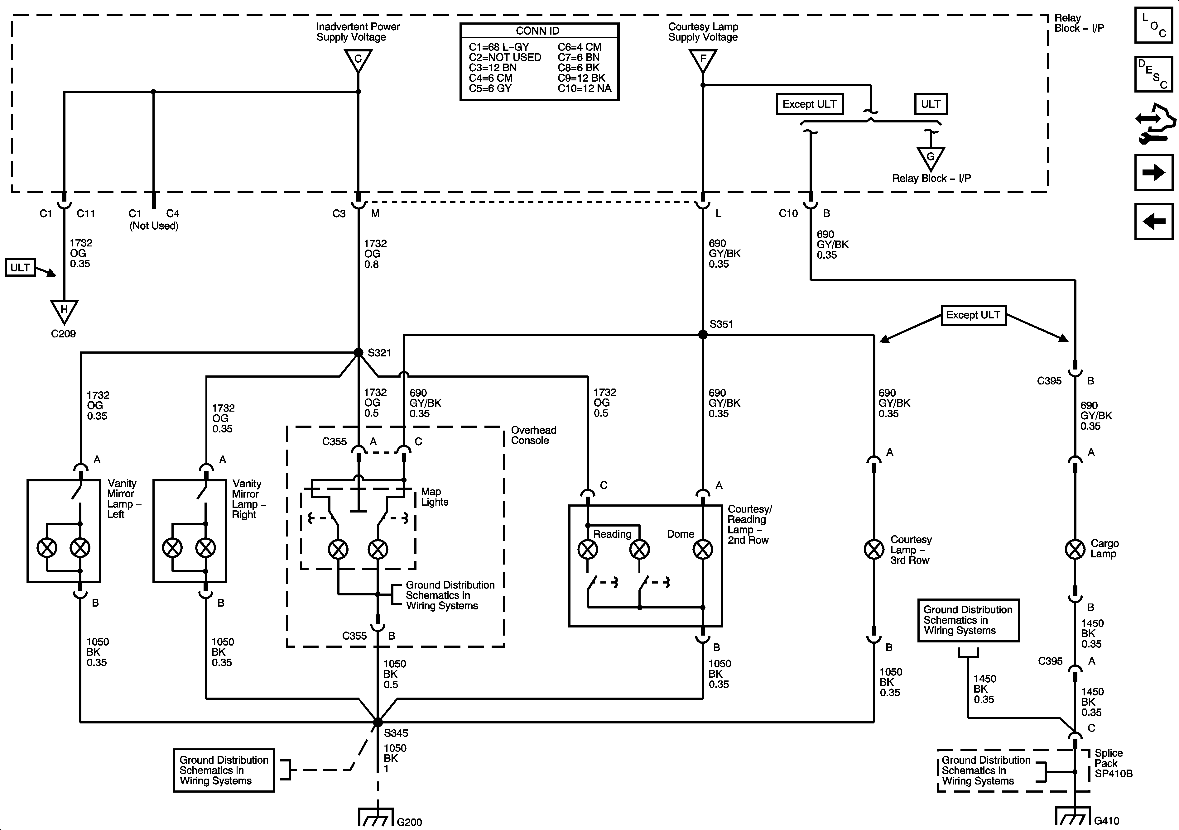
Interior Lamps - Avalanche and Escalade EXT
Interior Lamps - 3rd Row and Cargo - Escalade ESV w/ ULT
Headlamp Switches, Courtesy Lamp and Inadvertent Voltage Supplies
Headlamp Switches, Courtesy Lamp and Inadvertent Voltage Supplies
Interior Lamps - 3rd Row and Cargo - Escalade ESV w/ ULT
G410 1 of 3
G410 1 of 3
G410 1 of 3
G200 3 of 3
G200 3 of 3
G200 3 of 3