GM Service Manual Online
For 1990-2009 cars only
Makes
🢒
Cadillac
🢒
2006
🢒
Escalade EXT
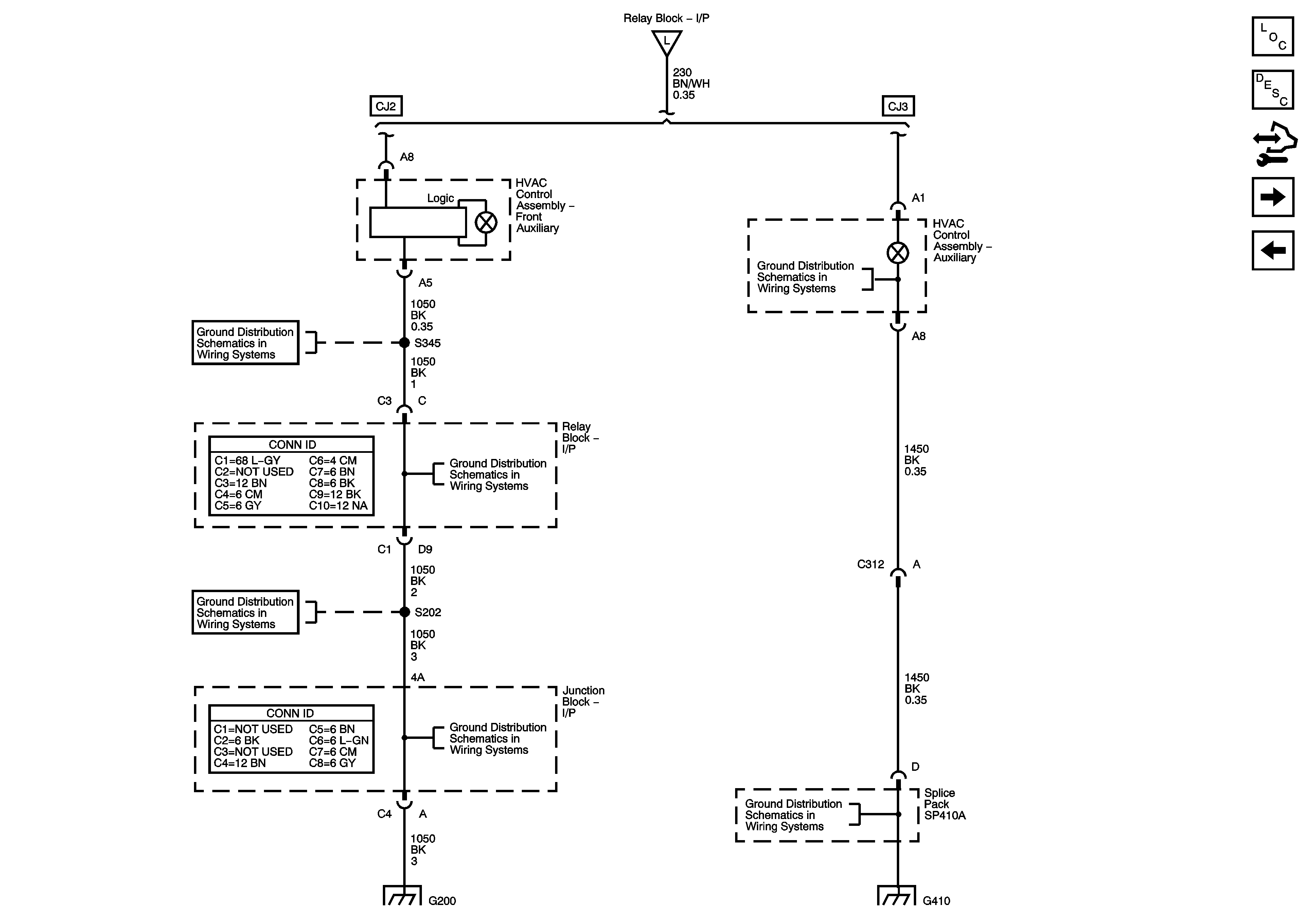
🢒 I/P Dimming Supply Voltage - 7 of 8
I/P Dimming Supply Voltage - 7 of 8
I/P Dimming Supply Voltage 7 of 8
Master Electrical Component List
Interior Lighting Systems Description and Operation
Control Module References
I/P Dimming Supply Voltage - 8 of 8
I/P Dimming Supply Voltage - 6 of 8
G200 1 of 3
G200 1 of 3
G200 1 of 3
G200 3 of 3
G200 3 of 3
I/P Dimming Supply Voltage - 6 of 8
G410 3 of 3 Auxiliary HVAC, Short Wheelbase
G410 3 of 3 Auxiliary HVAC, Short Wheelbase
G410 3 of 3 Auxiliary HVAC, Short Wheelbase