GM Service Manual Online
For 1990-2009 cars only
Makes
🢒
Cadillac
🢒
2006
🢒
Escalade EXT
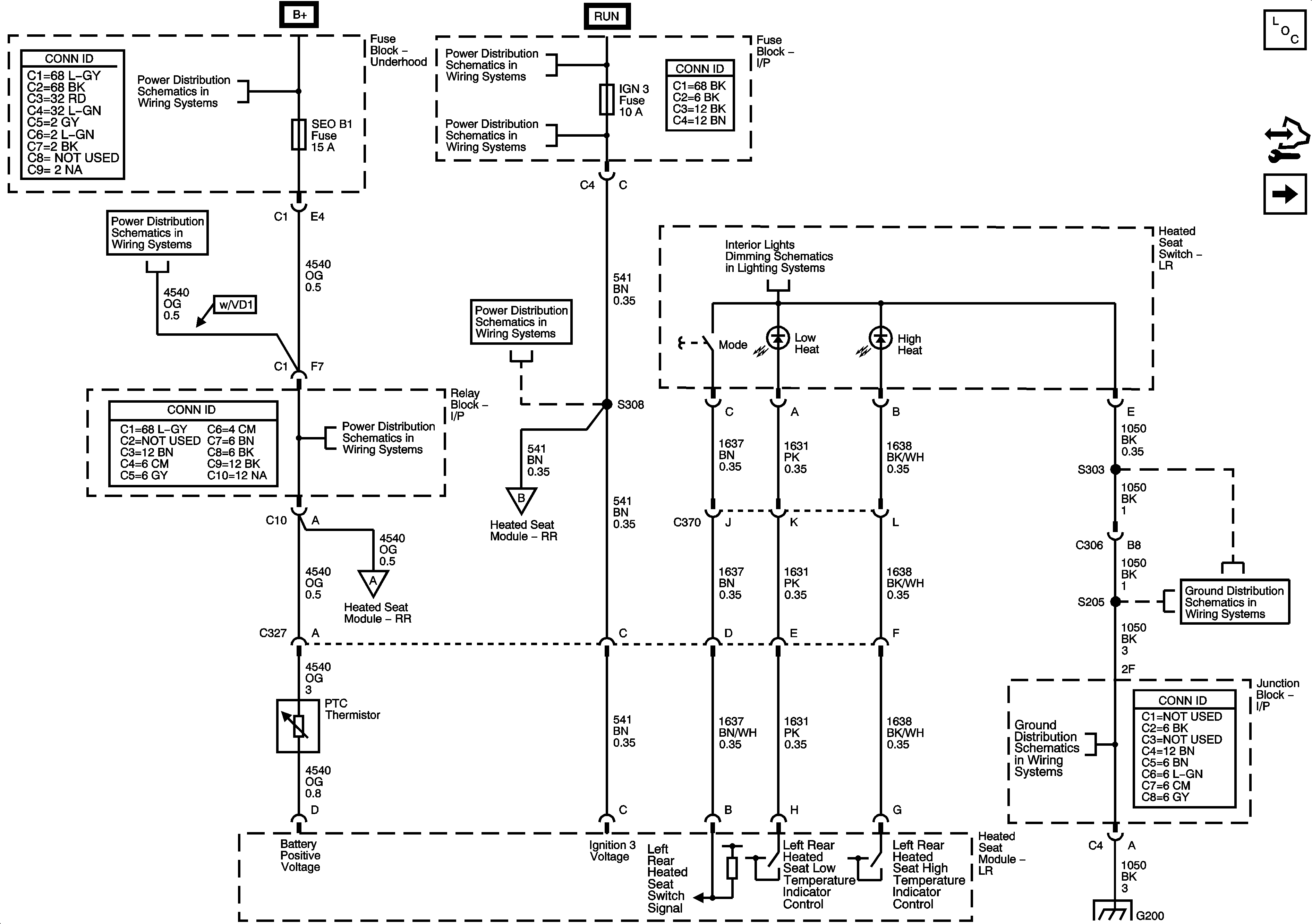
🢒 Rear Heated Seats - 1 of 3
Rear Heated Seats - 1 of 3
Heated Seats 1 of 3 - Except ULT
Master Electrical Component List
Control Module References
Rear Heated Seats - 2 of 3
B+ Bus - 1 of 2
IPC/DIC, LH HID, RH HID, SEO B1, SEO B2, and TBC BATT Fuses
IPC/DIC, LH HID, RH HID, SEO B1, SEO B2, and TBC BATT Fuses
Rear Heated Seats - 3 of 3
Ignition Switch - ACCY/RUN/START, RUN, and START Busses, IGN A and CRANK Fuses
IGN 3 Fuse - 1 of 2
IGN 3 Fuse - 1 of 2
Rear Heated Seats - 3 of 3
I/P Dimming Supply Voltage - 5 of 8
G200 2 of 3
G200 1 of 3
G200 1 of 3