GM Service Manual Online
For 1990-2009 cars only
Makes
🢒
Cadillac
🢒
2006
🢒
Escalade EXT
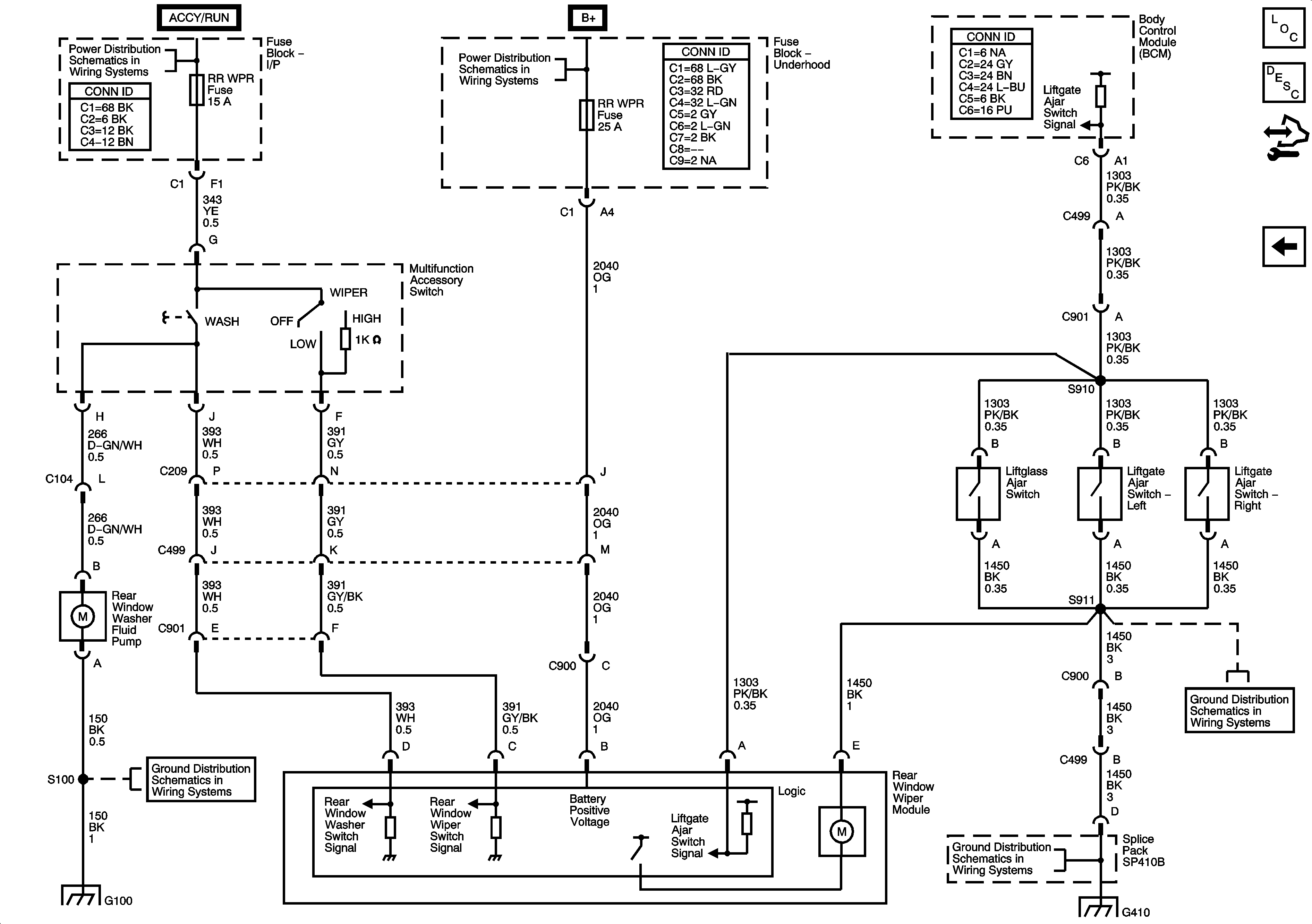
🢒 Rear Wiper/Washer Control
Rear Wiper/Washer Control
Rear Wiper/Washer Control
Master Electrical Component List
Rear Wiper/Washer System Description and Operation
Control Module References
Front Wiper/Washer Control - 2 of 2
Ignition Switch - ACCY/RUN, and RUN/START Busses, and IGN B Fuses
B+ Bus - 1 of 2
G410 1 of 3
G410 1 of 3
G410 1 of 3
G100, G105 1 of 4
G100, G105 1 of 4