GM Service Manual Online
For 1990-2009 cars only
Makes
🢒
Cadillac
🢒
2006
🢒
Escalade EXT
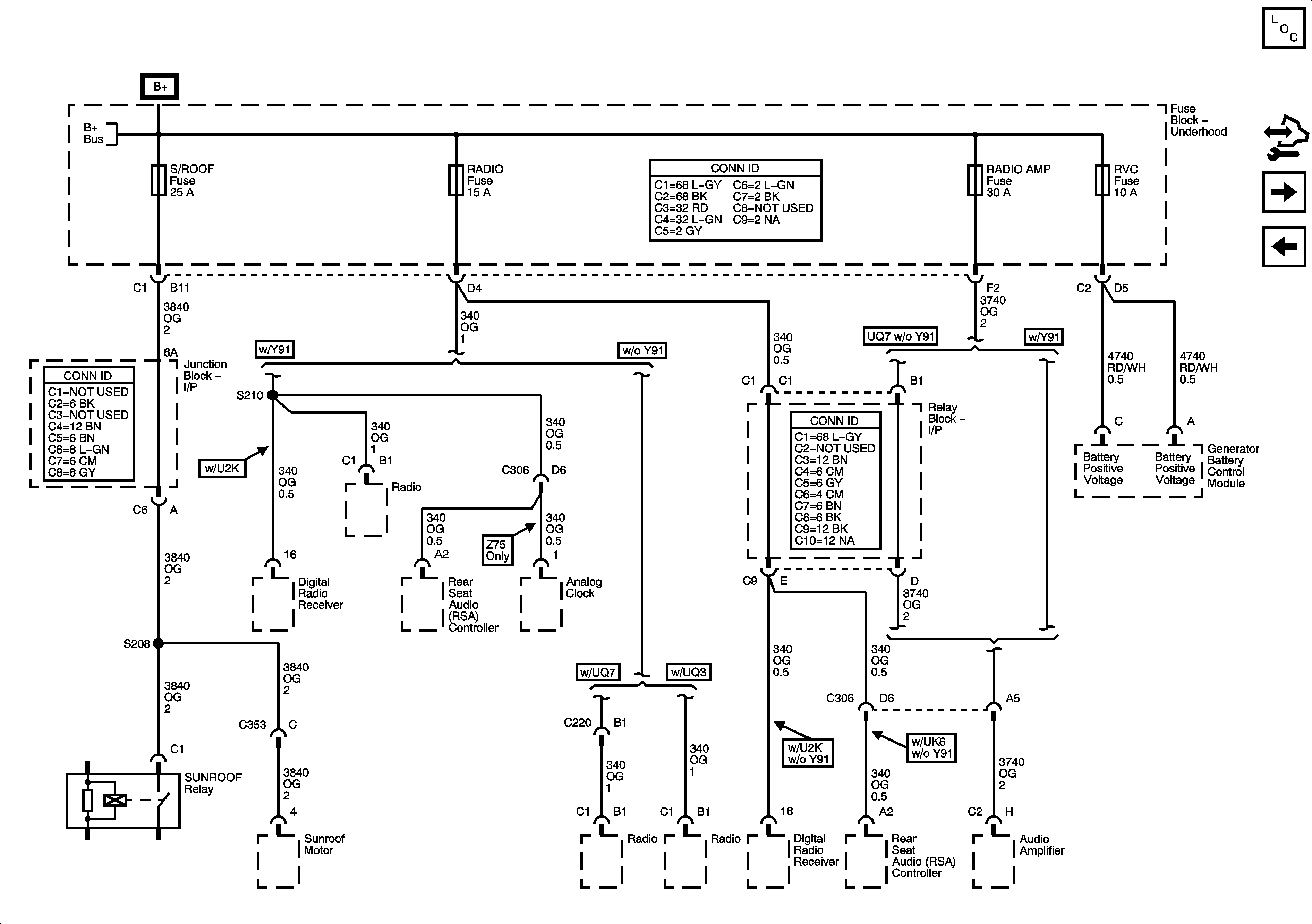
🢒 RADIO, RADIO AMP, and S/ROOF Fuses
RADIO, RADIO AMP, and S/ROOF Fuses
RADIO, RADIO AMP, and S/ROOF Fuses
Master Electrical Component List
Control Module References
RR WPR, STOP LP, TREC, VEH CHMSL, VEH STOP, and 4WS Fuses
CIG LTR, EAP, and INFO Fuses
B+ Bus - 1 of 2