GM Service Manual Online
For 1990-2009 cars only
Makes
🢒
Cadillac
🢒
2006
🢒
Escalade EXT
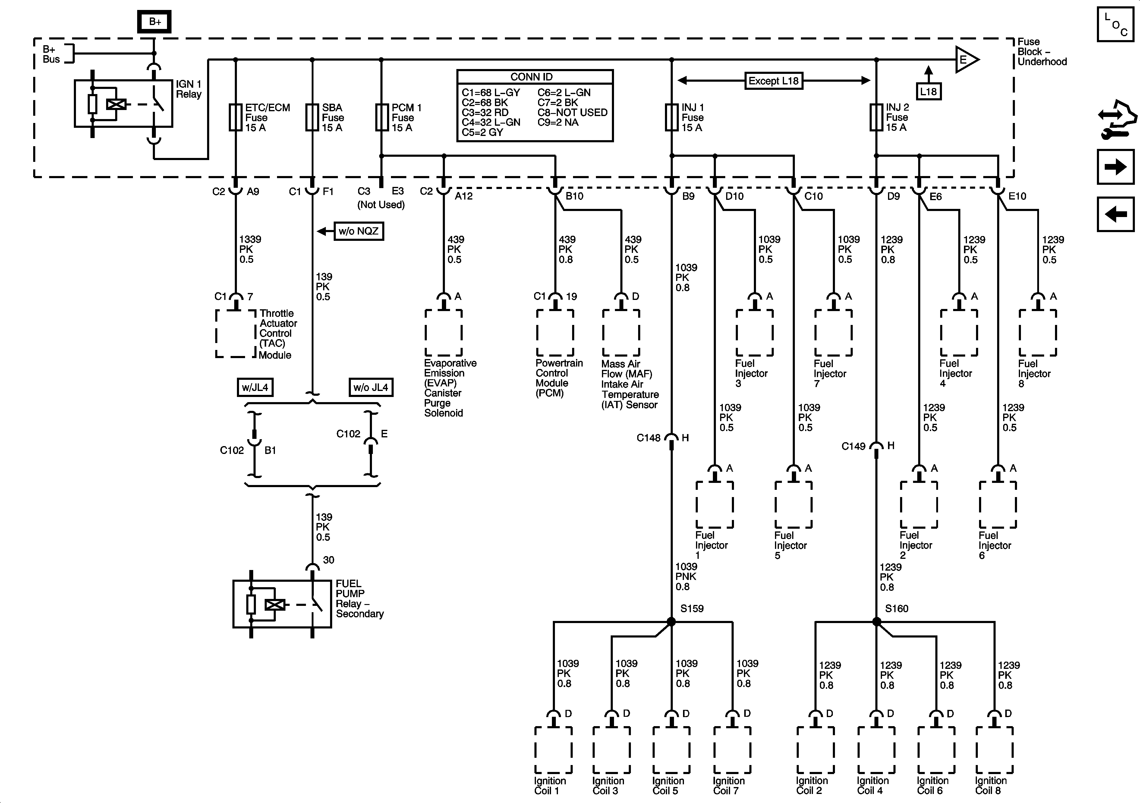
🢒 IGN 1 Relay Bus1 of 2ETC/ECM, PCM 1, and SBA Fuses; INJ 1 and INJ 2 Fuses - except L18
IGN 1 Relay Bus1 of 2ETC/ECM, PCM 1, and SBA Fuses; INJ 1 and INJ 2 Fuses - except L18
IGN 1 Relay Bus 1 of 2 ETC/ECM, PCM I, and SBA Fuses; INJ 1 and INJ 2 Fuses - Except L18
Master Electrical Component List
Control Module References
IGN 1 Relay Bus 2 of 2 INJ 2 Fuses - L18
AIRBAG and IGN E Fuses
IGN 1 Relay Bus 2 of 2 INJ 2 Fuses - L18
B+ Bus - 1 of 2