GM Service Manual Online
For 1990-2009 cars only
Makes
🢒
Cadillac
🢒
2006
🢒
Escalade EXT
🢒 G2031 of 3
G2031 of 3
G203 1 of 3
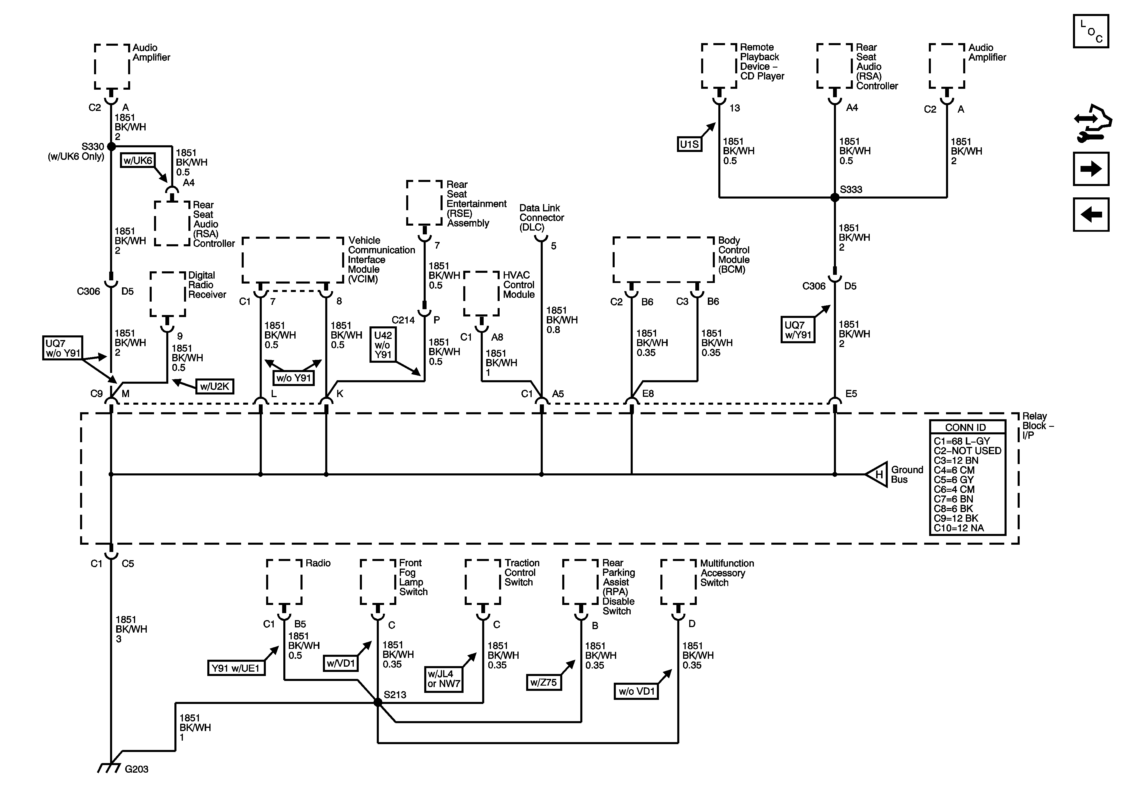
Master Electrical Component List
Control Module References
G203 2 of 3
G200 3 of 3
G203 2 of 3