GM Service Manual Online
For 1990-2009 cars only
Makes
🢒
Cadillac
🢒
2006
🢒
Escalade EXT
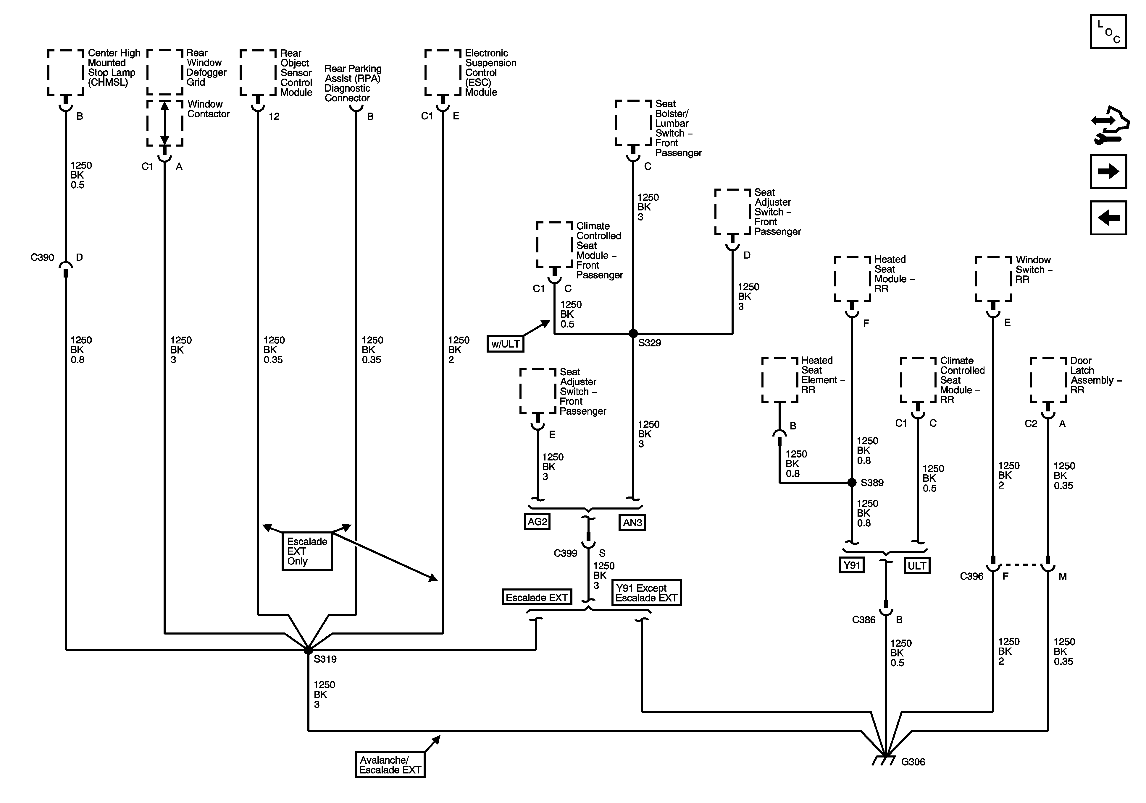
🢒 G306
G306
G306
Master Electrical Component List
Control Module References
G401 and G402
G304 and G305