GM Service Manual Online
For 1990-2009 cars only
Makes
🢒
Cadillac
🢒
2006
🢒
Escalade EXT
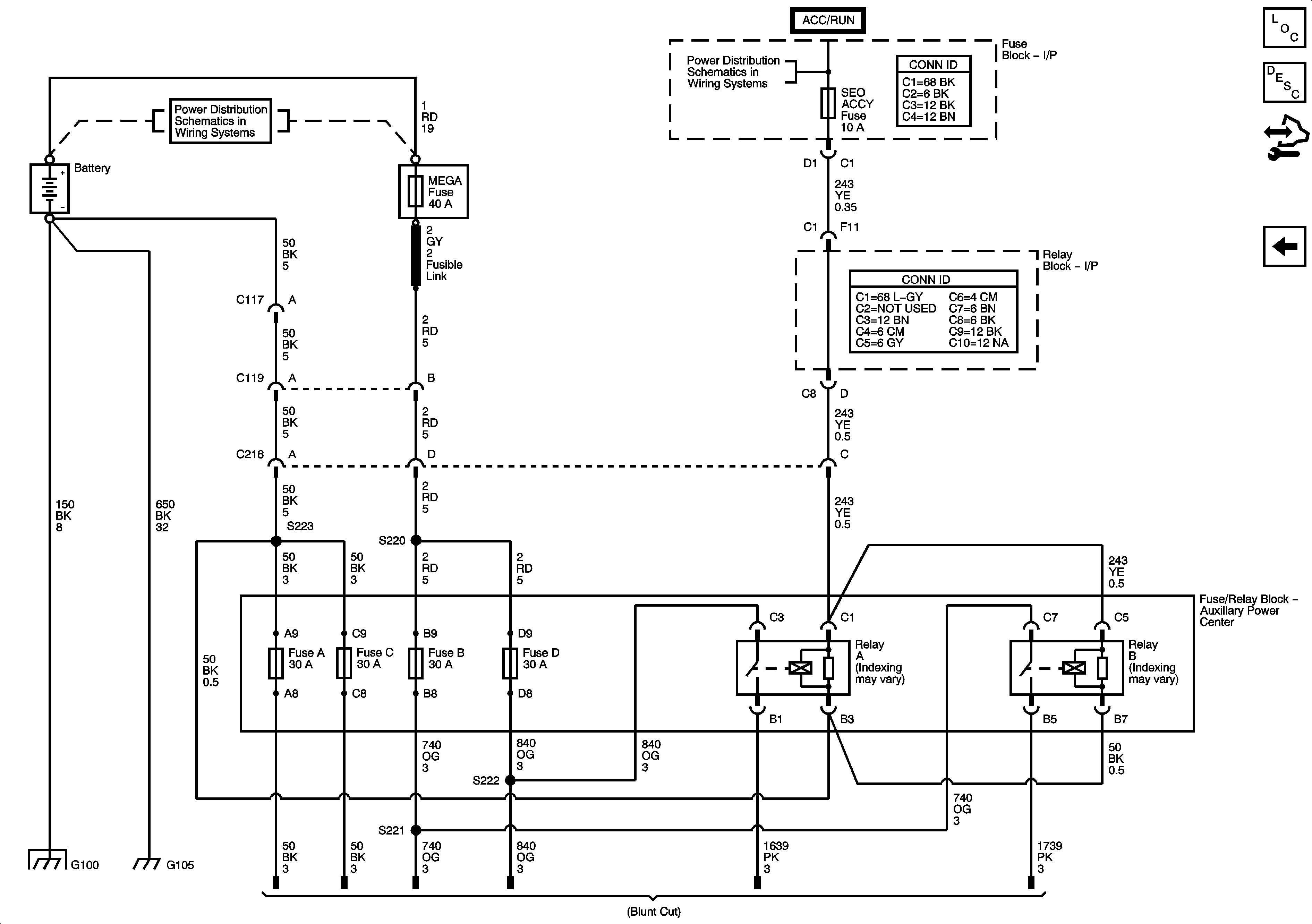
🢒 06 CK Util Upfitter Provisions Mobile Radio Power
06 CK Util Upfitter Provisions Mobile Radio Power
Mobile Radio Power - 9L4
Master Electrical Component List
Control Module References
Roof Beacon Wiring - 5G4
B+ Bus - 1 of 2
Ignition Switch - ACCY/RUN, and RUN/START Busses, and IGN B Fuses
G100, G105 1 of 4