GM Service Manual Online
For 1990-2009 cars only
Makes
🢒
Cadillac
🢒
2006
🢒
Escalade EXT
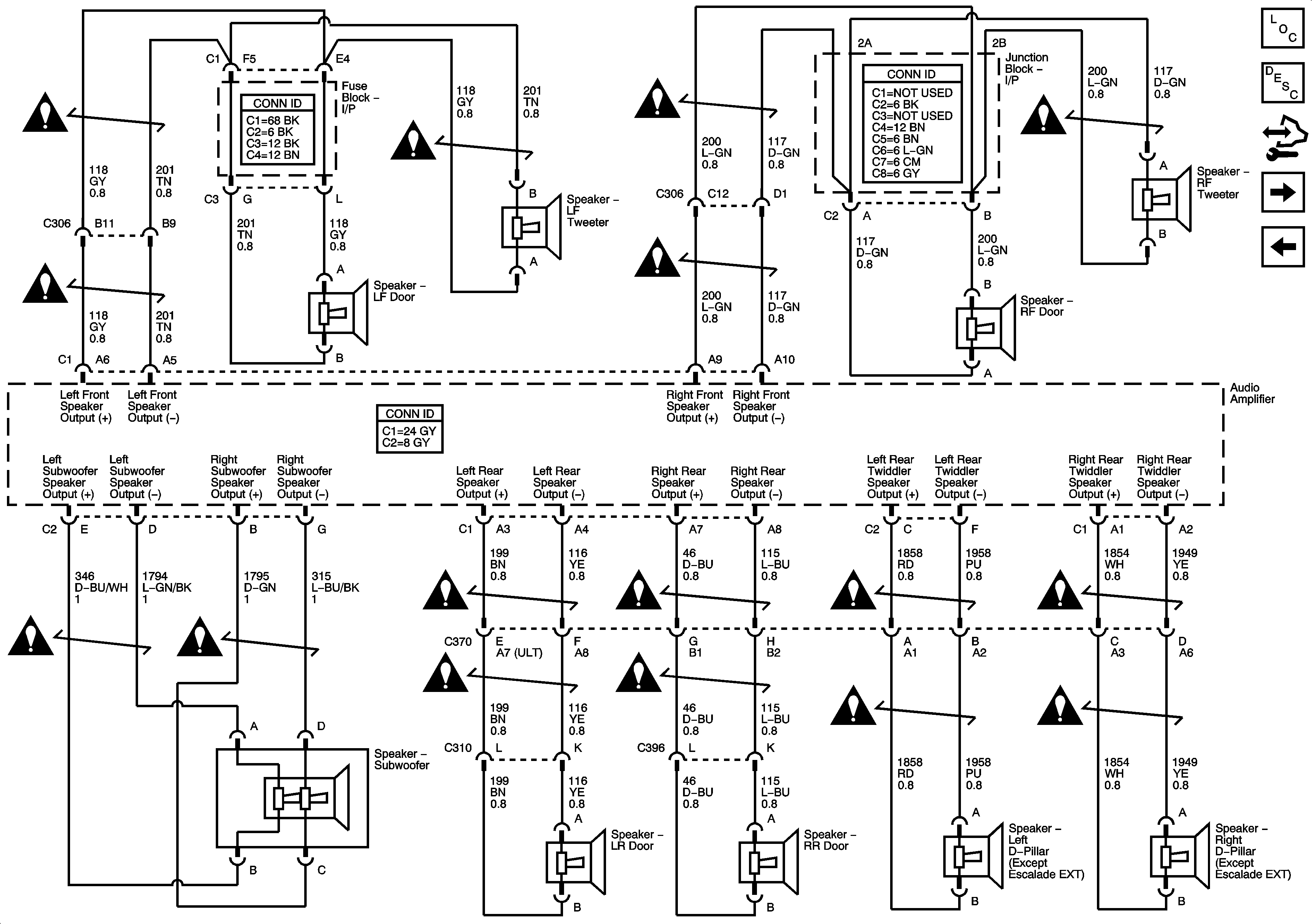
🢒 Speakers
Speakers
Speakers
Master Electrical Component List
Radio/Audio System Description and Operation
Control Module References
Antenna Module - Escalade except EXT
Amplifier and RSA Power, Ground, Serial Data, and Noise Compensation Microphone
Entertainment Schematic Icons
Entertainment Schematic Icons
Entertainment Schematic Icons
Entertainment Schematic Icons
Entertainment Schematic Icons
Entertainment Schematic Icons
Entertainment Schematic Icons
Entertainment Schematic Icons
Entertainment Schematic Icons
Entertainment Schematic Icons