GM Service Manual Online
For 1990-2009 cars only
Makes
🢒
Cadillac
🢒
2006
🢒
Escalade EXT
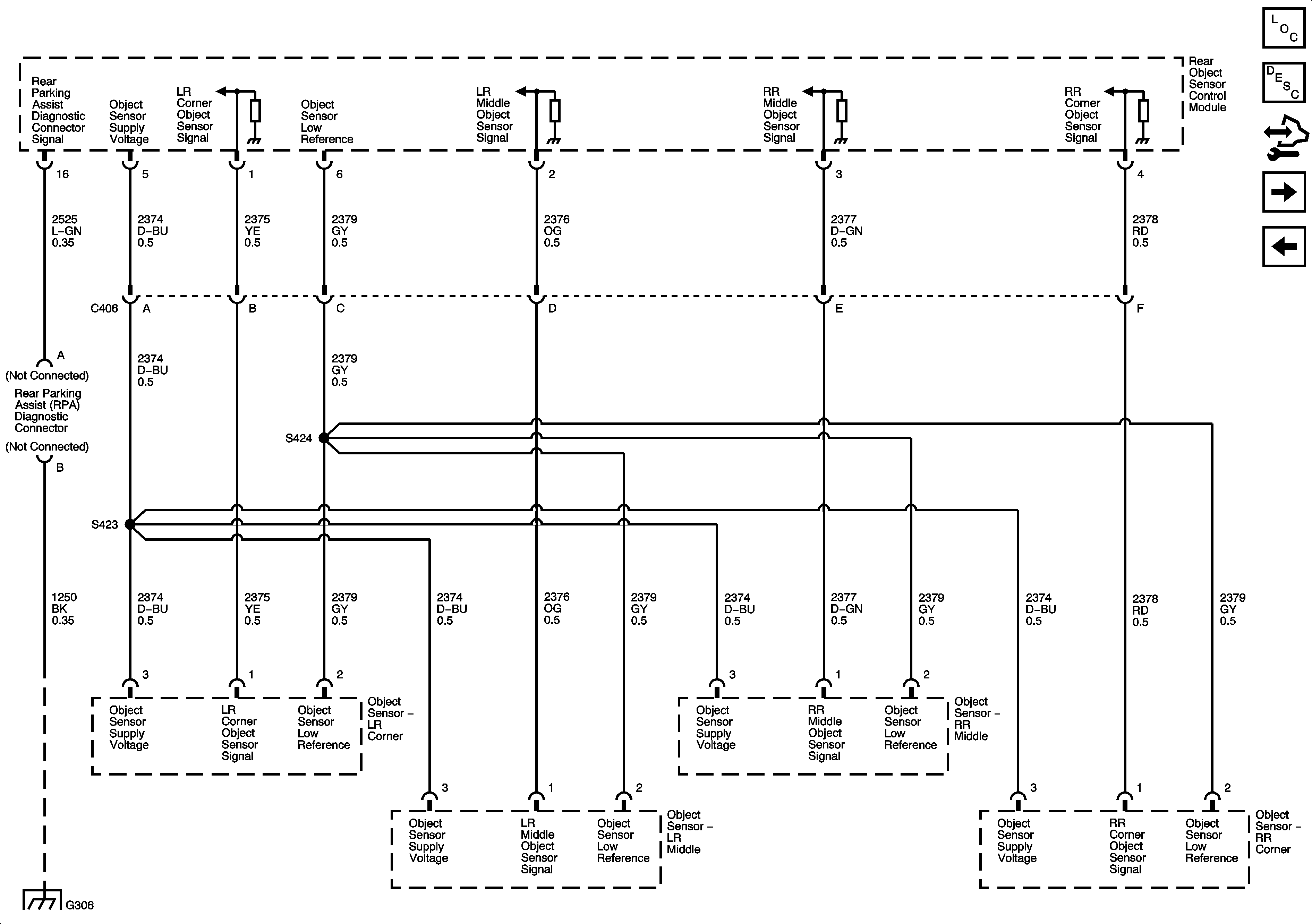
🢒 Rear Object Sensor Control Module and Object Sensors - Escalade except EXT
Rear Object Sensor Control Module and Object Sensors - Escalade except EXT
Rear Object Sensor Control Module and Object Sensors
Master Electrical Component List
Object Detection Description and Operation
Control Module References
Rear Object Sensor Control Module, RPA Display, and RPA Disable Switch - Escalade EXT
Rear Object Sensor Control Module, RPA Display, and RPA Disable Switch - Escalade except EXT
G410 1 of 3