GM Service Manual Online
For 1990-2009 cars only
Makes
🢒
Cadillac
🢒
2006
🢒
Escalade EXT
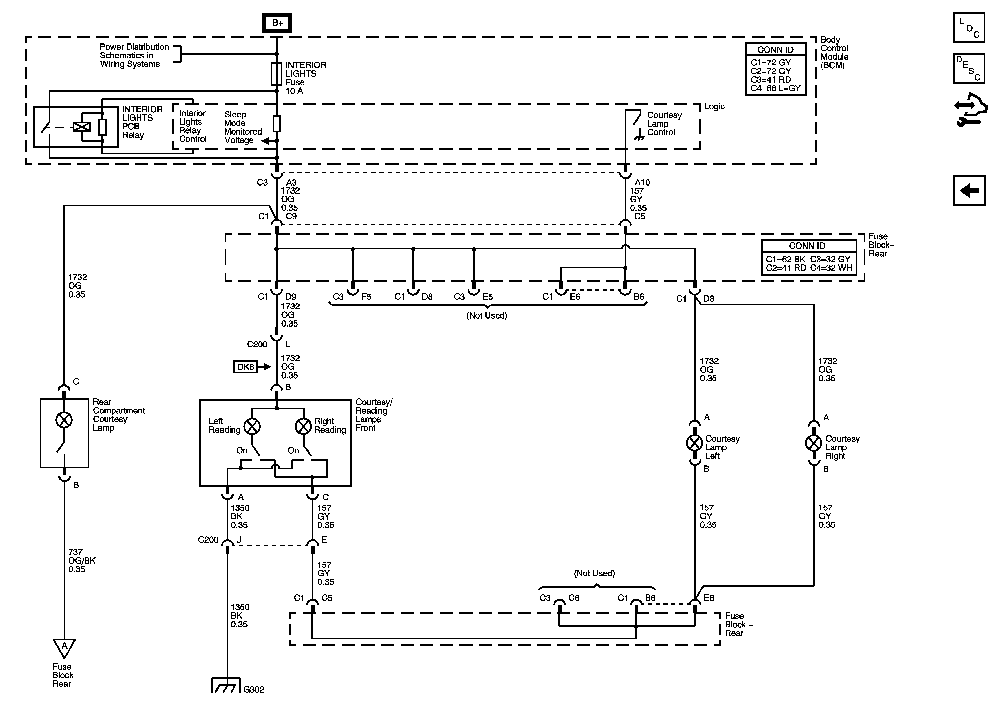
🢒 Outputs (Convertible)
Outputs (Convertible)
Outputs (Convertible)
Master Electrical Component List
Interior Lighting Systems Description and Operation
Control Module References
Outputs (Coupe/Sedan)
Body Control Module (BCM) INTERIOR LIGHTS, ONSTAR, PEDAL and POWER MIRRORS Fuses
G302
Inputs
G302