GM Service Manual Online
For 1990-2009 cars only
Makes
🢒
Cadillac
🢒
2006
🢒
Escalade EXT
🢒 Switches 1 of 2
Switches 1 of 2
Switches 1 of 2
Master Electrical Component List
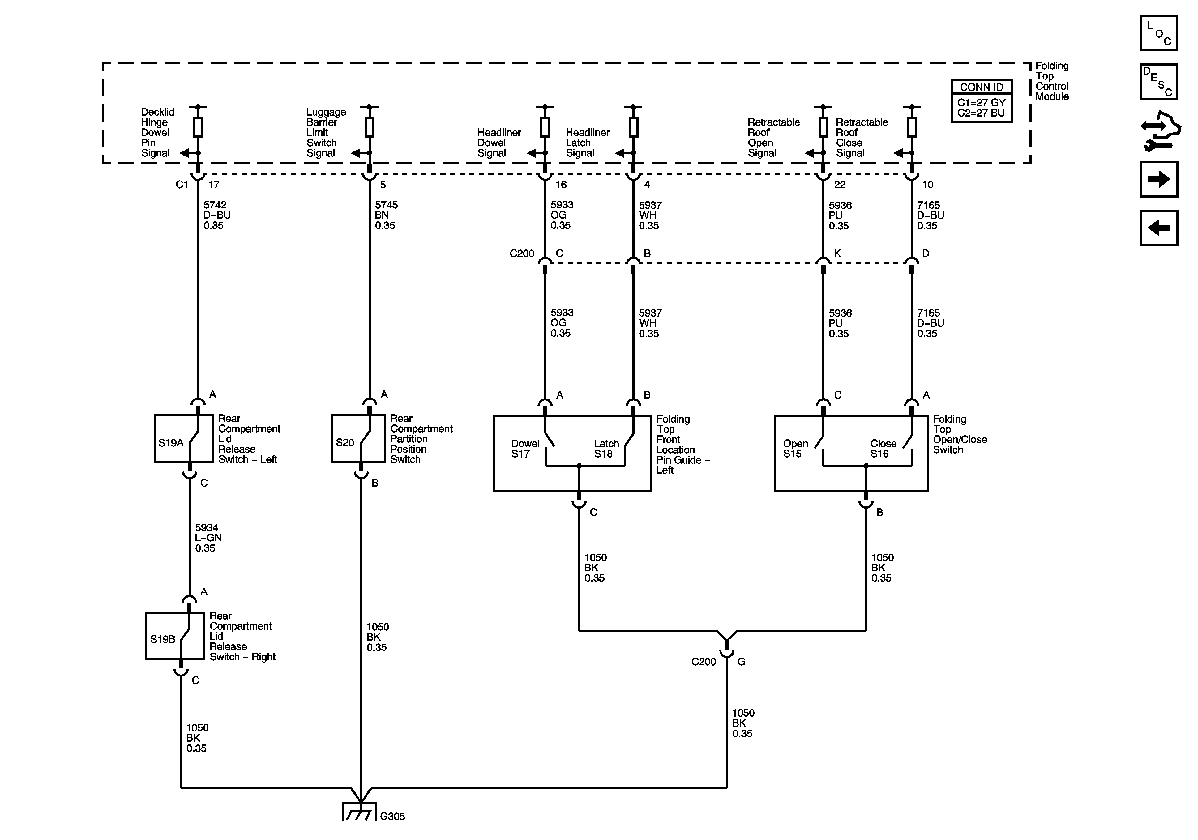
Power Folding Top Description and Operation
Control Module References
Switches 2 of 2
Sensors
G304 and G305