GM Service Manual Online
For 1990-2009 cars only
Makes
🢒
Cadillac
🢒
2006
🢒
Escalade EXT
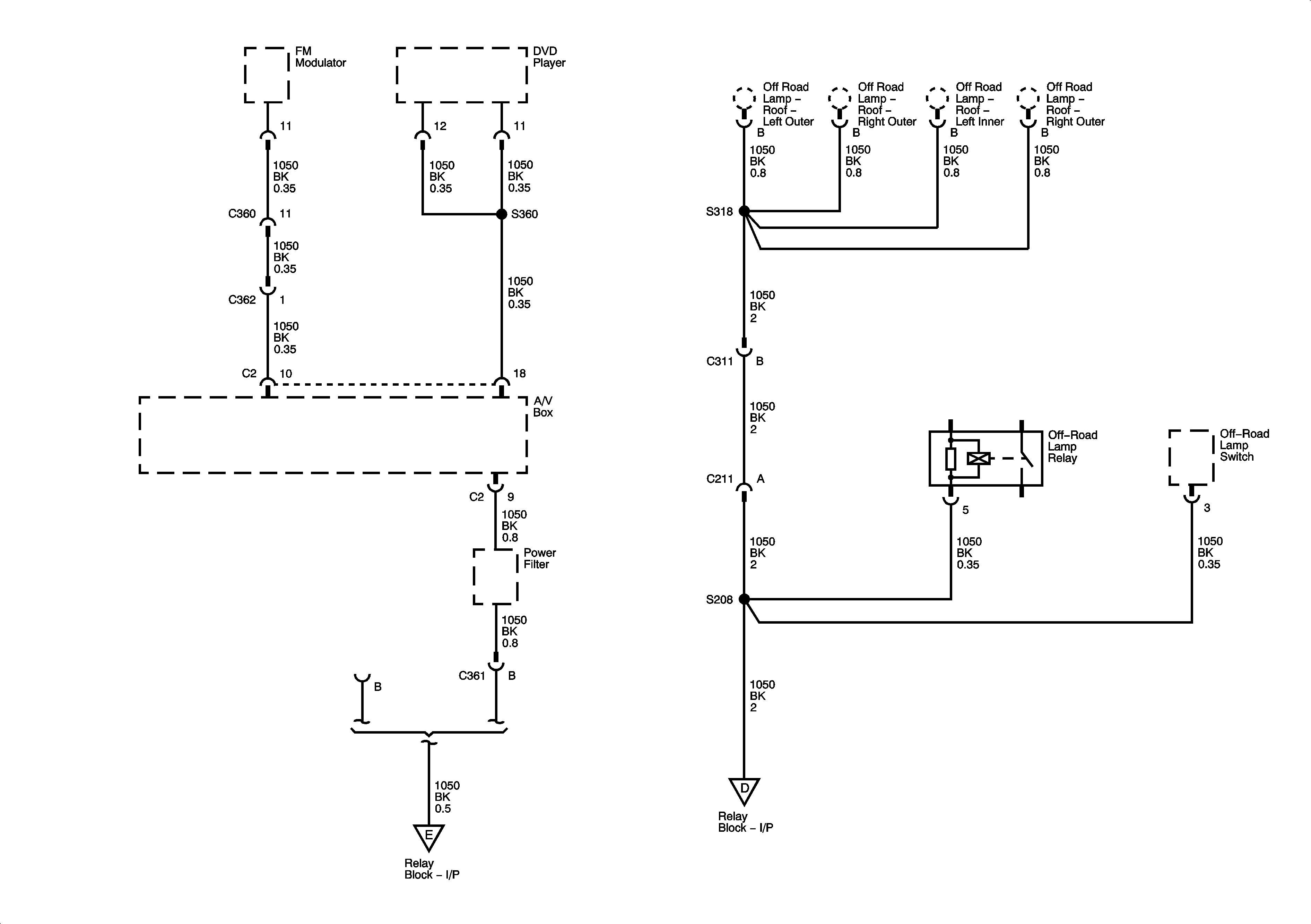
🢒 G203 - 3 of 3
G203 - 3 of 3
G203 -- 3 of 3
G203 - 2 of 3
G203 - 2 of 3