GM Service Manual Online
For 1990-2009 cars only

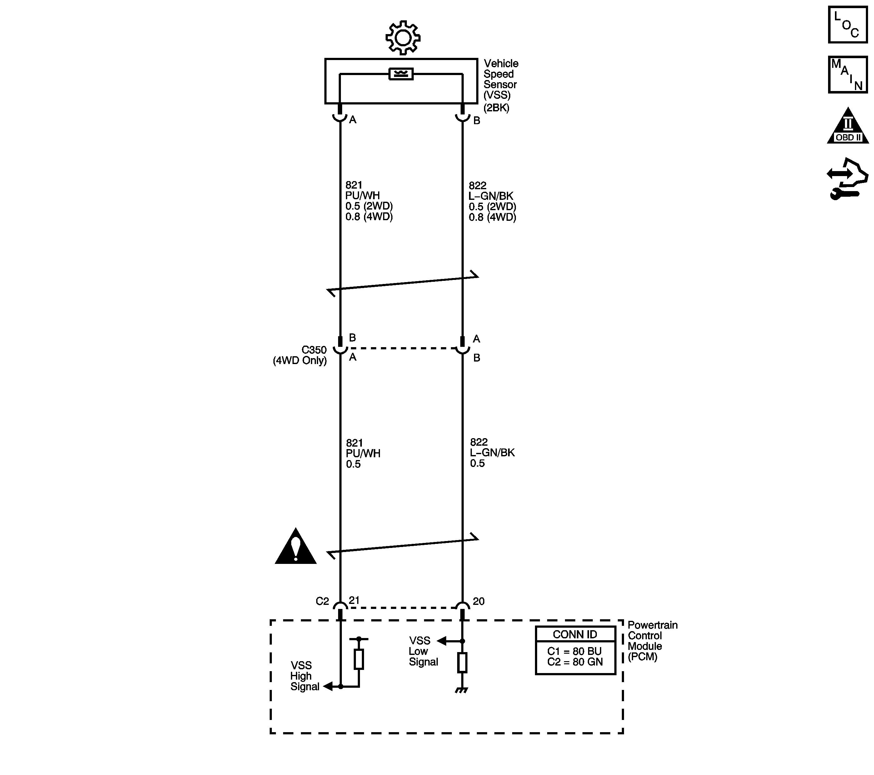
Object Number: 1558657  Size: LF
Master Electrical Component List
Automatic Transmission Controls Schematics
OBD II Symbol Description Notice
Control Module References

Circuit Description

The automatic transmission output shaft speed (AT OSS) sensor, which is a permanent magnet generator, produces a pulsing AC voltage as the transmission speed sensors rotor teeth pass through the magnetic field of the sensor. The AC voltage level and the number of pulses increase as the speed of the vehicle increases. The powertrain control module (PCM) then converts the pulsing voltage to a digital signal for vehicle speed. The vehicle speed is used for engine and transmission calculations.

If the PCM detects a low vehicle speed and there is a high engine speed in a drive gear range, DTC P0502 sets. DTC P0502 is a type C DTC. For California emissions and vehicles under 8,600 GVW, DTC P0502 is a type B DTC.

DTC Descriptor

This diagnostic procedure supports the following DTC:

DTC P0502 Vehicle Speed Sensor (VSS) Circuit Low Voltage

Conditions for Running the DTC

    • No MAF sensor DTC P0101, P0102 or P0103.
    • No MAP sensor DTC P0106, P0107 or P0108.
    • No TP sensor DTC P0121, P0122 or P0123.
    • No AT ISS DTC P0716 or P0717.
    • No TFP manual valve position switch DTC P1810.
    • The engine torque must be between 108 N·m (80 lb ft) and:
       - 6.0L: 576 N·m (425 lb ft)
       - 8.1L: 881 N·m (650 lb ft)
    • No change in 4WD low switch for at least 2 seconds.
    • The AT ISS is greater than 1,400 RPM.
    • The gear range is not PARK or NEUTRAL.
    • The system voltage is between 8-18 volts for greater than 0.5 second.
    • Throttle angle is equal to or greater than 10 percent.
    • No VSS DTC P0503.
    • The engine is running greater than 400 RPM for more than 7 seconds.

Conditions for Setting the DTC

The AT OSS is less than 50 RPM for at least 3.5 seconds.

Action Taken When the DTC Sets

    • For California emission equipped vehicles, the PCM illuminates the malfunction indicator lamp (MIL) during the second consecutive trip in which the Conditions for Setting the DTC are met. For Federal emission equipped vehicles, the MIL is not illuminated.
    • The PCM commands maximum line pressure.
    • The PCM freezes transmission adaptive functions.
    • The PCM defaults a calculated output speed value by using the AT ISS values.
    • The PCM records the operating conditions when the Conditions for Setting the DTC are met. The PCM stores this information as Freeze Frame, California only, and Failure Records, California and Federal.
    • The PCM stores the DTC P0502 in PCM history during the second consecutive trip, California or the first trip, Federal, in which the Conditions for Setting the DTC are met.

Conditions for Clearing the MIL/DTC

    • For California emissions, the PCM turns OFF the MIL during the third consecutive trip in which the diagnostic test runs and passes.
    • A scan tool can clear the MIL/DTC.
    • For California emissions, the PCM clears the DTC from PCM history if the vehicle completes 40 warm-up cycles without an emission related diagnostic fault occurring.
    • For Federal emissions, the PCM clears the DTC from PCM history if the vehicle completes 40 warm-up cycles without a non-emission related diagnostic fault occurring.
    • The PCM cancels the DTC default actions when the fault no longer exists and the ignition switch is OFF long enough in order to power down the PCM.

Diagnostic Aids

DTC P0502 defaults to an elevated line pressure condition which may result in partial TCC apply. This may produce an idle surge that could stall the engine.

Test Description

The numbers below refer to the step numbers on the diagnostic table.

  1. This step tests the OSS assembly circuit.

  2. This step tests the integrity of the OSS assembly.

Step

Action

Value

Yes

No

1

Did you perform the Diagnostic System Check - Vehicle?

--

Go to Step 2

Go to Diagnostic System Check - Vehicle

2

  1. Install a scan tool.
  2. Turn ON the ignition, with the engine OFF.
  3. Important: Before clearing the DTC, use the scan tool in order to record the Freeze Frame and Failure Records. Using the Clear Info function erases the Freeze Frame and Failure Records from the PCM.

  4. Record the DTC Freeze Frame and Failure Records.
  5. Clear the DTC.
  6. Raise and support the rear axle assembly.
  7. Start the engine.
  8. Place the transmission in any drive range.

With the drive wheels rotating, does the scan tool Transmission OSS increase with the drive wheel speed?

--

Go to Testing for Intermittent Conditions and Poor Connections

Go to Step 3

3

  1. Turn OFF the ignition.
  2. Disconnect the PCM connector C2.
  3. Using the DMM and the J 35616 GM terminal test kit, measure the resistance between VSS high signal and VSS low signal.

Does the resistance measure within the specified range?

1,420-2,140 ohms

Go to Step 4

Go to Step 7

4

  1. Place the transmission in NEUTRAL.
  2. Select AC volts.
  3. Prevent one rear wheel from turning.
  4. Rotate the other rear wheel by hand, ensuring that the driveshaft is turning.

Does the voltage measure greater than the specified value?

0.5 V

Go to Step 5

Go to Step 12

5

Measure the resistance between the VSS high signal and ground.

Does the resistance measure greater than the specified value?

10 M ohms

Go to Step 6

Go to Step 9

6

  1. Connect the PCM connector C2.
  2. Disconnect the engine wiring harness from the OSS assembly.
  3. Turn ON the ignition, with the engine OFF.
  4. Test both the high signal circuit and the low signal circuit of the OSS assembly for a short to power. Refer to Testing for a Short to Voltage and Wiring Repairs .

Did you find and correct the condition?

--

Go to Step 15

Go to Step 14

7

  1. Disconnect the engine wiring harness from the OSS assembly.
  2. Measure the resistance of the OSS assembly.

Does the resistance measure within the specified range?

976-2,354 ohms

Go to Step 8

Go to Step 13

8

Was the resistance measured in Step 3 greater than the specified value?

2,354 ohms

Go to Step 10

Go to Step 11

9

Test the high signal circuit of the OSS assembly for a short to ground. Refer to Testing for Short to Ground and Wiring Repairs .

Did you find and correct the condition?

--

Go to Step 15

--

10

  1. Test the high signal circuit of the OSS assembly for an open.
  2. Test the low signal circuit of the OSS assembly for an open.

Refer to Testing for Continuity and Wiring Repairs .

Did you find and correct the condition?

--

Go to Step 15

--

11

Test the high signal circuit and the low signal circuit of the OSS assembly for a short together. Refer to Circuit Testing and Wiring Repairs .

Did you find and correct the condition?

--

Go to Step 15

--

12

  1. Remove the OSS assembly.
  2. Inspect the output shaft speed sensor rotor for damage or misalignment.
  3. Inspect the case extension bushing for wear.

Did you find and correct the condition?

--

Go to Step 15

Go to Step 13

13

Important: For vehicles equipped with an active transfer case, identify the OSS assembly before replacing. There are 2 transfer case speed sensors located near the OSS assembly. Refer to the wire colors on the schematic to identify the OSS assembly.

Replace the OSS assembly. Refer to Output Speed Sensor Replacement .

Did you complete the replacement?

--

Go to Step 15

--

14

Replace the PCM. Refer to Control Module References for replacement, setup, and programming.

Did you complete the replacement?

--

Go to Step 15

--

15

Perform the following procedure in order to verify the repair:

  1. Select DTC.
  2. Select Clear Info.
  3. Operate the vehicle so that the transmission output speed is greater than 250 RPM for 2 seconds.
  4. Select Specific DTC.
  5. Enter DTC P0502.

Has the test run and passed?

--

Go to Step 16

Go to Step 2

16

With the scan tool, observe the stored information, capture info and DTC info.

Does the scan tool display any DTCs that you have not diagnosed?

--

Go to Diagnostic Trouble Code (DTC) List - Vehicle

System OK