GM Service Manual Online
For 1990-2009 cars only

Removal Procedure

  1. Disconnect the negative battery cable. Refer to Battery Negative Cable Disconnection and Connection .
  2. Raise and support the vehicle. Refer to Lifting and Jacking the Vehicle .
  3. Remove the oil pan skid plate if equipped. Refer to Oil Pan Skid Plate Replacement .

  4. Object Number: 663487  Size: SH
  5. Remove the transmission cover bolt.

  6. Object Number: 663527  Size: SH
  7. Remove the starter bolts.

  8. Object Number: 1698087  Size: SH
  9. Disconnect the engine wiring harness electrical connector (4) from the oil level sensor.
  10. Notice: Avoid cable and wiring damage. DO NOT suspend the starter by the cables or wires attached to the solenoid terminals. Use a rope or mechanics wire to suspend the starter.

  11. Slide the starter forward until the starter clears the transmission and properly support the starter.
  12. Lower the vehicle half way.
  13. Remove the right front wheel and tire. Refer to Tire and Wheel Removal and Installation .

  14. Object Number: 1699540  Size: SH
  15. Working through the right wheel well opening, remove the engine wiring harness lead nut (1).
  16. Remove the engine wiring harness lead terminal (2) from the starter.

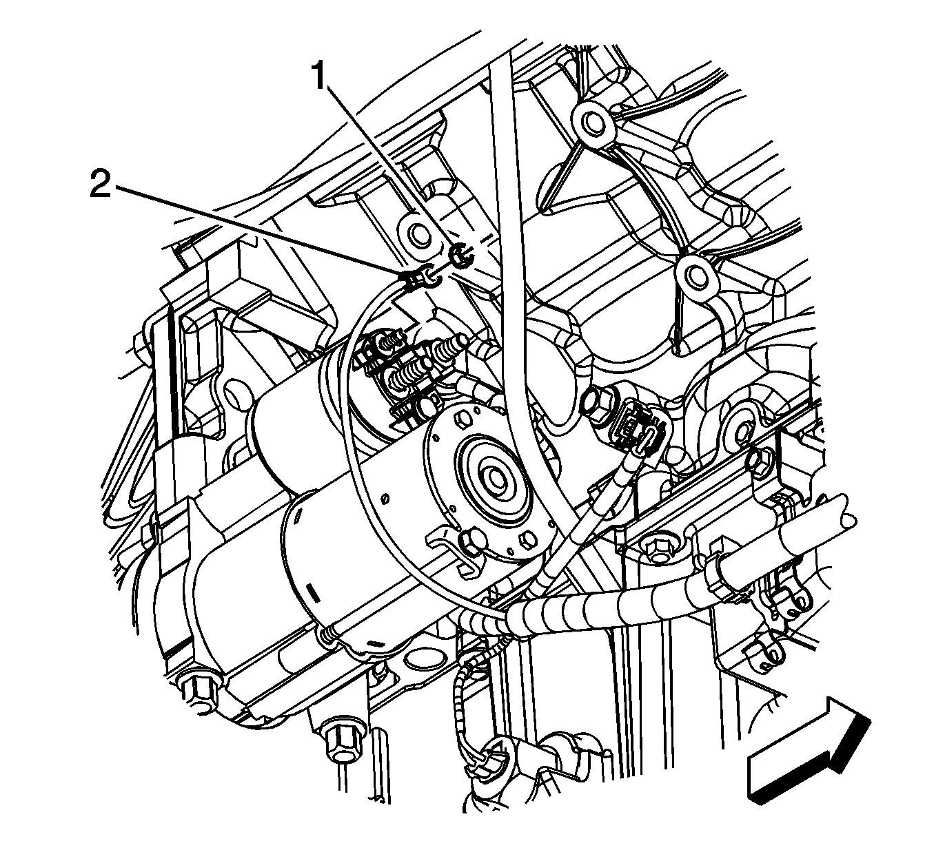
  17. Object Number: 1702990  Size: SH
  18. Remove the starter solenoid cable clip bolt (2) from the frame.

  19. Object Number: 1699544  Size: SH
  20. Remove the starter solenoid cable nut (1).
  21. Remove the starter solenoid cable (2) from the starter.
  22. Remove the starter through the wheel well opening.

  23. Object Number: 663489  Size: SH
  24. If replacing the starter, unsnap the transmission cover from the starter.

  25. Object Number: 663472  Size: SH
  26. If replacing the starter, remove the starter heat shield.

Installation Procedure


    Object Number: 663472  Size: SH
  1. If the starter was replaced, install the starter heat shield.

  2. Object Number: 663489  Size: SH
  3. If the starter was replaced, snap the transmission cover onto the starter.

  4. Object Number: 1699544  Size: SH
  5. Install the starter through the wheel well opening.
  6. Install the starter solenoid cable to the starter.
  7. Notice: Refer to Fastener Notice in the Preface section.

  8. Install the starter solenoid cable nut (1).
  9. Tighten
    Tighten the cable nut to 9 N·m (80 lb in).


    Object Number: 1702990  Size: SH
  10. Position the starter solenoid cable clip to the frame and install the starter solenoid cable clip bolt (2).
  11. Tighten
    Tighten the clip bolt to 10 N·m (89 lb in).


    Object Number: 1699540  Size: SH
  12. Install the engine wiring harness lead terminal (2) to the starter.
  13. Install the engine wiring harness lead nut (3).
  14. Tighten
    Tighten the lead nut to 3.4 N·m (30 lb in).


    Object Number: 663527  Size: SH
  15. Position the starter into place.
  16. Install the starter bolts.
  17. Tighten
    Tighten the starter bolts to 50 N·m (37 lb ft).

  18. Install the right front wheel and tire. Refer to Tire and Wheel Removal and Installation .
  19. Raise the vehicle.

  20. Object Number: 1698087  Size: SH
  21. Connect the engine wiring harness electrical connector (4) to the oil level sensor.

  22. Object Number: 663487  Size: SH
  23. Install the transmission cover bolt.
  24. Tighten
    Tighten the cover bolt to 9 N·m (80 lb in).

  25. Install the oil pan skid plate if equipped, Refer to Oil Pan Skid Plate Replacement .
  26. Connect the negative battery cable. Refer to Battery Negative Cable Disconnection and Connection .