GM Service Manual Online
For 1990-2009 cars only
Makes
🢒
Cadillac
🢒
2007
🢒
Escalade EXT
🢒
Diagnostic Navigation
🢒
Vehicle Diagnostic Information
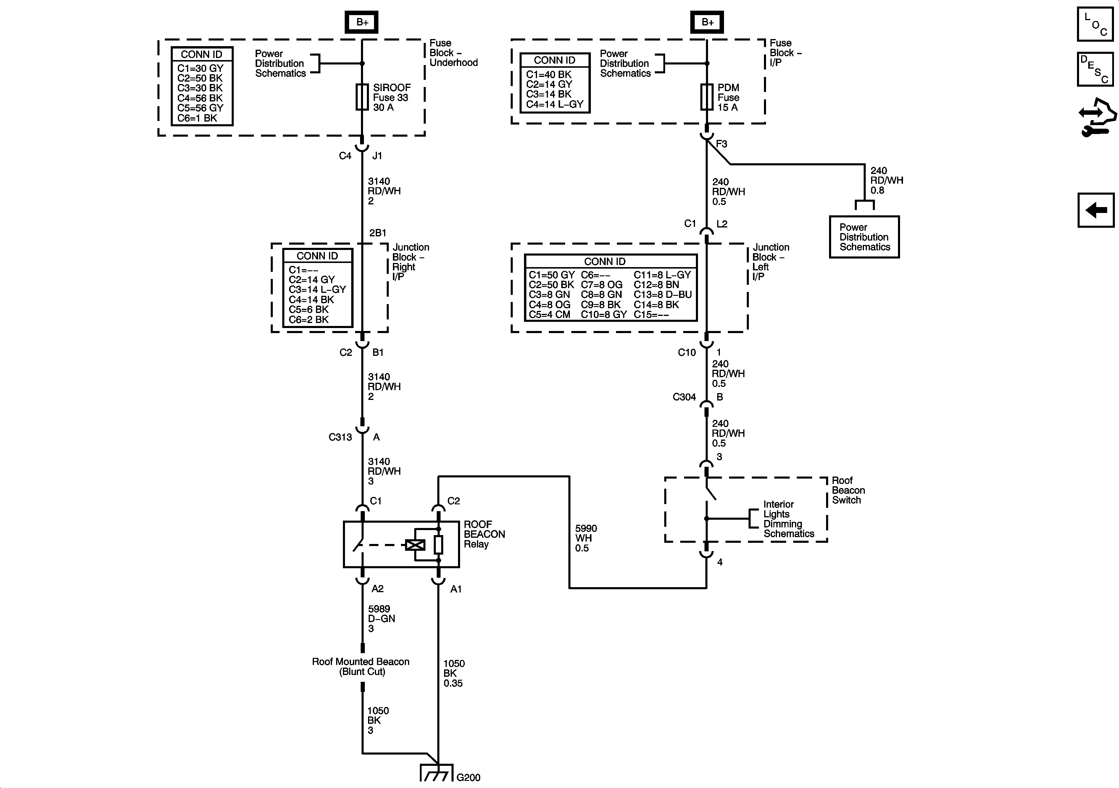
🢒 Upfitter Provision Schematics
Roof Beacon - TRW/5G4
Master Electrical Component List
Exterior Lighting Systems Description and Operation
Control Module References
Backup Lamps