GM Service Manual Online
For 1990-2009 cars only

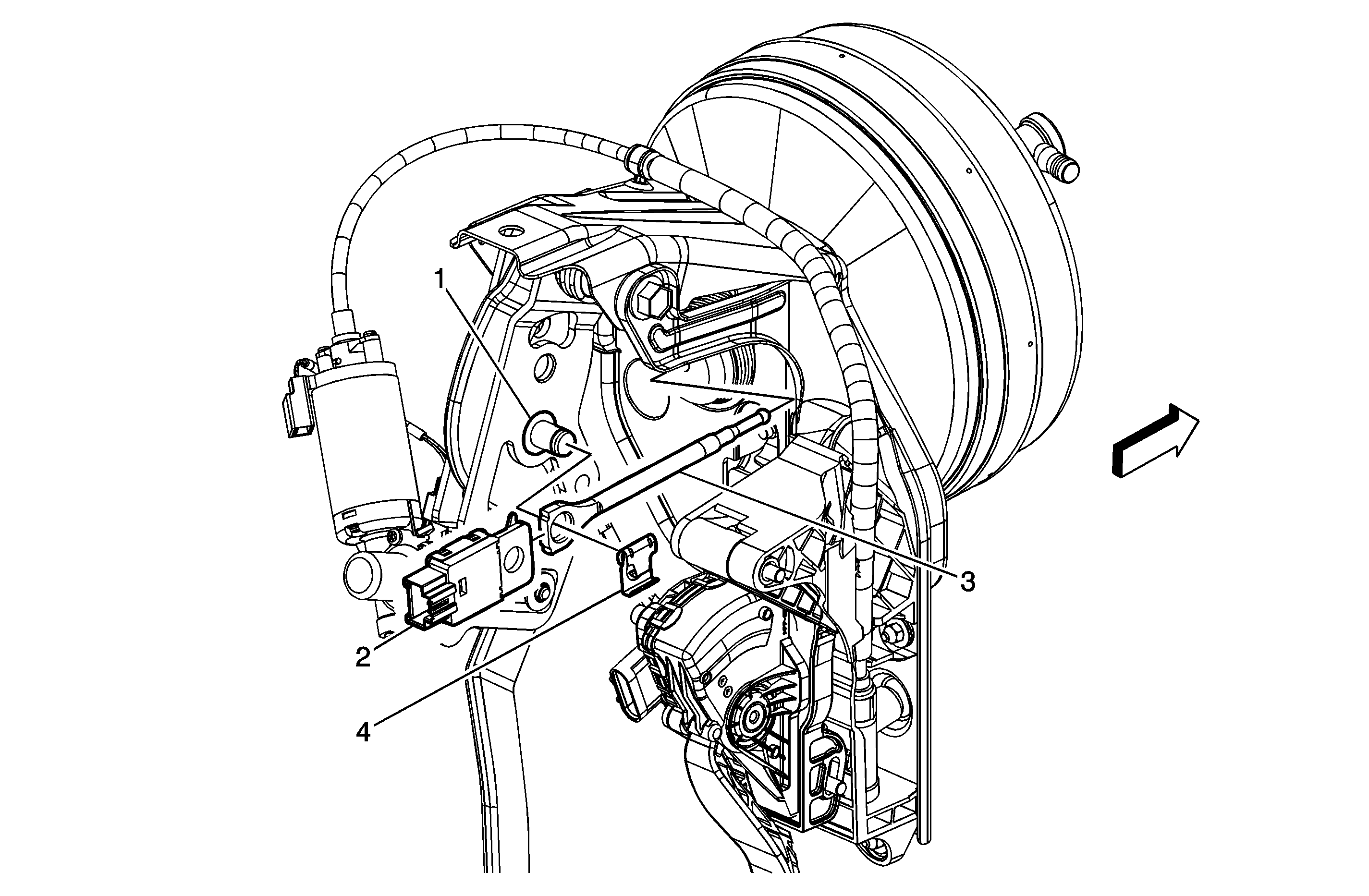
Stop Lamp Switch Replacement Adjustable Pedal


Object Number: 1683798  Size: MF

Callout

Component Name

1

Brake Pedal Pin

2

Stop Lamp Switch Assembly

Tip
Disconnect electrical connector.

3

Brake Booster Push Rod

4

Stop Lamp Switch Assembly Retainer

Stop Lamp Switch Replacement Non-Adjustable Pedal


Object Number: 1699307  Size: MF

Callout

Component Name

1

Brake Pedal Pin

2

Stop Lamp Switch Assembly

Tip
Disconnect electrical connector.

3

Brake Booster Push Rod

4

Stop Lamp Switch Assembly Retainer