GM Service Manual Online
For 1990-2009 cars only

Removal Procedure


    Object Number: 1687770  Size: SH
  1. Remove the driver knee bolster. Refer to Knee Bolster Replacement .
  2. Remove the fuse block cover.
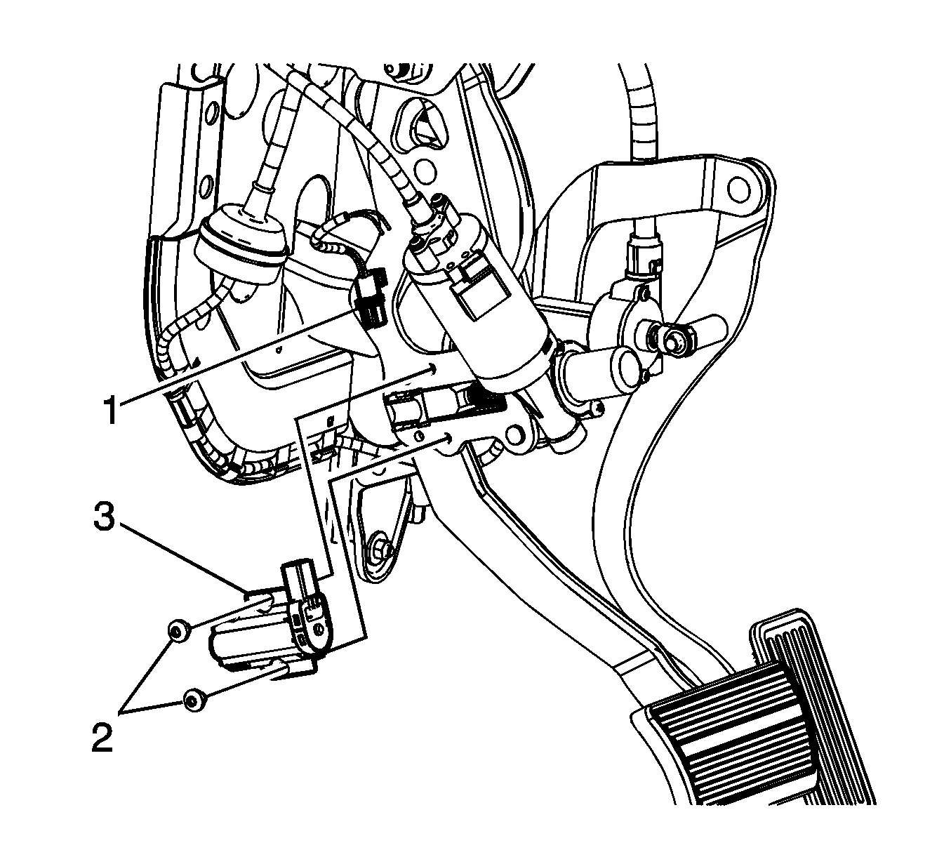
  3. Disconnect the brake pedal position sensor electrical connector (1).
  4. Remove the brake pedal position sensor bolts (2).
  5. Remove the brake pedal position sensor (3) from the vehicle.

Installation Procedure


    Object Number: 1687770  Size: SH
  1. Install the brake pedal position sensor (3) to the vehicle.
  2. Notice: Refer to Fastener Notice in the Preface section.

  3. Install the brake pedal position sensor bolts (2).
  4. Tighten
    Tighten the bolts to 9 N·m (80 lb in).

  5. Connect the brake pedal position sensor electrical connector (1).
  6. Install the fuse block cover.
  7. Install the driver knee bolster. Refer to Knee Bolster Replacement .