GM Service Manual Online
For 1990-2009 cars only

Electronic Brake Control Module Replacement With JL4

Removal Procedure

Caution: Refer to Brake Fluid Irritant Caution in the Preface section.

Notice: Refer to Brake Fluid Effects on Paint and Electrical Components Notice in the Preface section.

  1. Raise and support the vehicle. Refer to Lifting and Jacking the Vehicle .
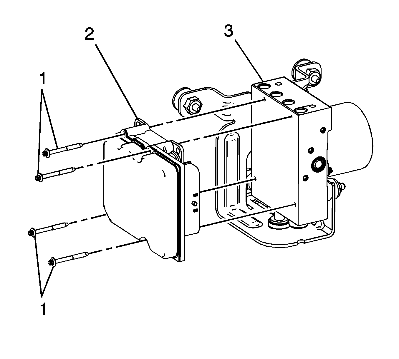
  2. Remove all dirt and debris from the electronic brake control module (EBCM) and the brake pressure modulator valve (BPMV) before loosening or removing any of the components.
  3. Important: DO NOT reuse the EBCM to BPMV screws. Install NEW screws.


    Object Number: 1702891  Size: SH
  4. Using denatured alcohol, clean the EBCM (2) and the BPMV (3).
  5. Disconnect the EBCM electrical connector.
  6. Remove and discard the EBCM to BPMV screws (1).
  7. Carefully pull the EBCM (2) from the BPMV (3).
  8. Remove the EBCM to BPMV gasket.

Installation Procedure


    Object Number: 1702891  Size: SH
  1. Position the gasket to the BPMV (3).
  2. Position the EBCM (2) to the BPMV (3).
  3. Important: Make sure the EBCM is properly aligned to the BPMV, including the brake pressure switch. Do not force the components together.

  4. Push the EBCM squarely onto the BPMV.
  5. Notice: Refer to Fastener Notice in the Preface section.

  6. Install 4 new EBCM to BPMV screws (1).
  7. Tighten
    Tighten the screws in a X pattern to 3 N·m (27 lb in).

  8. Connect the EBCM electrical connector.
  9. If installing a replacement EBCM, program the replacement EBCM. Refer to Control Module References .
  10. Bleed the BPMV. Refer to Antilock Brake System Automated Bleed Procedure .

Electronic Brake Control Module Replacement Without JL4

Removal Procedure

Caution: Refer to Brake Fluid Irritant Caution in the Preface section.

Notice: Refer to Brake Fluid Effects on Paint and Electrical Components Notice in the Preface section.

  1. Raise and support the vehicle. Refer to Lifting and Jacking the Vehicle .
  2. Remove all dirt and debris from the electronic brake control module (EBCM) and the brake pressure modulator valve (BPMV) before loosening or removing any of the components.

  3. Object Number: 1702896  Size: SH
  4. Disconnect the EBCM electrical connector.
  5. Important: DO NOT reuse the EBCM to BPMV screws. Install NEW screws.

  6. Remove and discard the EBCM to BPMV screws (1).
  7. Carefully pull the EBCM (2) from the BPMV (3).

Installation Procedure


    Object Number: 1702896  Size: SH
  1. Using denatured alcohol, clean the EBCM (2) and the BPMV (3).
  2. Position the EBCM (2) to the BPMV (3).
  3. Notice: Refer to Fastener Notice in the Preface section.

  4. Install 4 new EBCM to BPMV screws (1).
  5. Tighten
    Tighten the screws in an X pattern to 3 N·m (27 lb in).

  6. Connect the EBCM electrical connector.
  7. If installing a replacement EBCM, program the replacement EBCM. Refer to Control Module References .
  8. Bleed the BPMV. Refer to Antilock Brake System Automated Bleed Procedure .