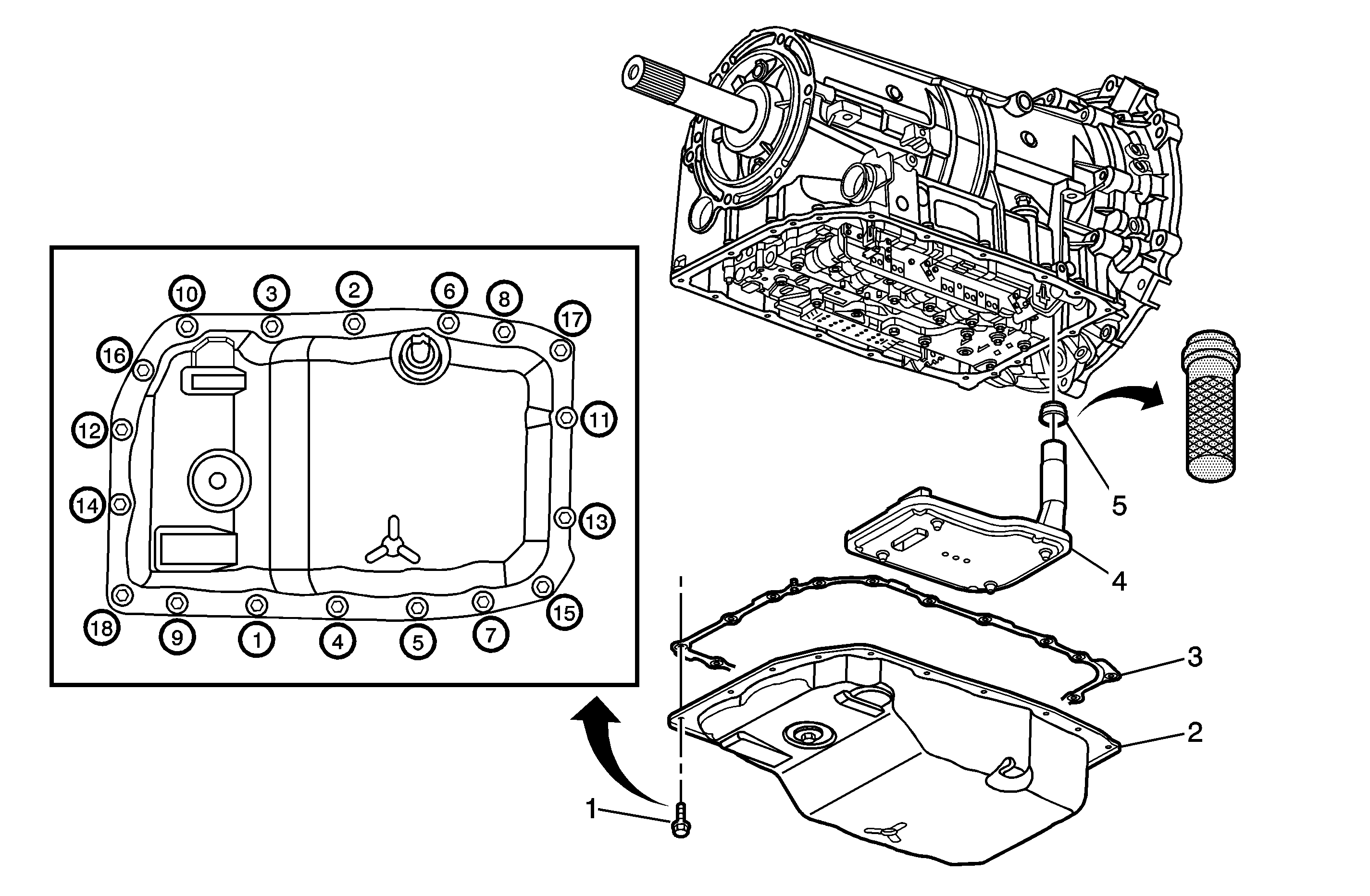
Callout
| Component Name
|
|
Notice: Use Dexron VI transmission fluid only. Failure to use the proper
fluid may result in transmission internal damage.
Preliminary Procedures
- Raise and support the vehicle. Refer to
Lifting and Jacking the Vehicle
.
- Disconnect and lower the catalytic converter. Refer to
Catalytic Converter Replacement
.
- Place a suitable drain pan under the transmission.
|
1
| Transmission Fluid Pan Bolt (Qty: 18)
Notice: Refer to Fastener Notice in the Preface section.
Tip Tighten the bolts in the sequence shown.
Tighten 9 N·m (80 lb in) |
2
| Transmission Fluid Pan Assembly
Procedure
- Check the condition of the draining fluid. Refer to
Transmission Fluid Check
.
- Fill the transmission with the proper fluid. Refer to
Transmission General Specifications
.
- Fill the transmission with the proper amount of transmission fluid. Refer to
Fluid Capacity Specifications
and
Transmission Fluid Check
.
|
3
| Transmission Fluid Pan Gasket
Tip The fluid pan gasket is reusable. Inspect the gasket to determine if it may be reused. |
4
| NEW Fluid Filter Assembly
Tip Pull the fluid filter assembly straight out. Do not bend or twist the filter neck. |
5
| NEW Fluid Filter Seal Assembly
Notice: Do not damage the case sealing surface when removing the filter seal assembly.
Procedure
- Use a screwdriver or snap ring pliers to remove the filter seal.
- Use the
DT 47848
and the
J 42183
to install the filter seal.
- Lubricate the filter seal with transmission fluid before installing the filter.
Special Tools
|