GM Service Manual Online
For 1990-2009 cars only

Object Number: 1657185  Size: MF

Callout

Component Name

Preliminary Procedures

  1. Raise and support the vehicle. Refer to Lifting and Jacking the Vehicle .
  2. Remove the transmission fluid pan and filter. Refer to Automatic Transmission Fluid, Fluid Pan and/or Filter Replacement .
  3. Remove the upper and lower valve body assembly. Refer to Control Valve Lower Body and Upper Body Replacement .

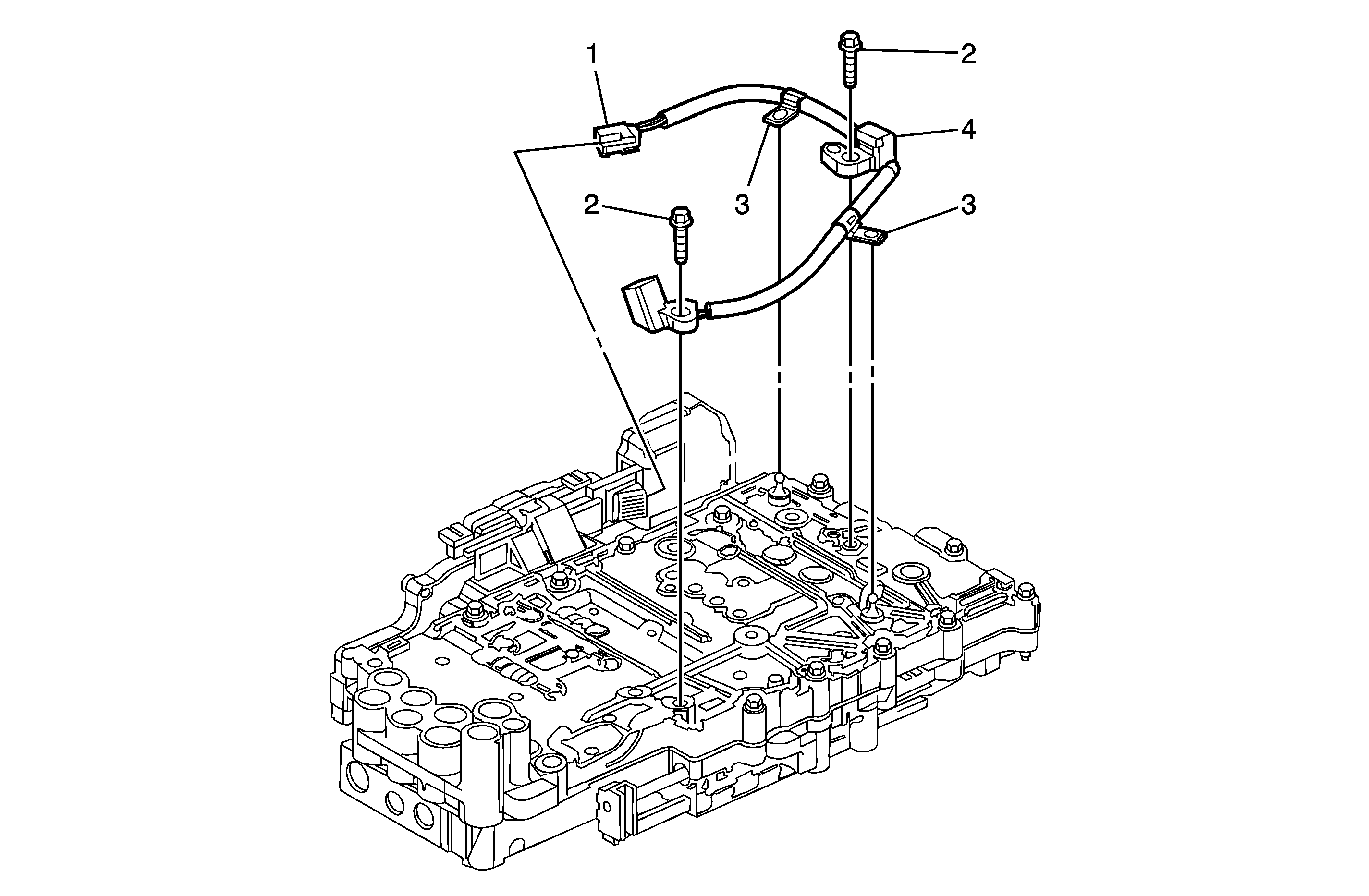
1

Speed Sensor Electrical Connector

2

Input and Output Speed Sensor Assembly Bolts (Qty: 2)

Notice: Refer to Fastener Notice in the Preface section.

Tighten
12 N·m (106 lb in)

3

Input and Output Speed Sensor Assembly Clips (Qty: 2)

Tip
Inspect the wiring harness clips for damage replace if necessary.

4

Input and Output Speed Sensor Assembly