GM Service Manual Online
For 1990-2009 cars only
Table 1: Upper to Lower Control Valve Body Assembly Assemble
Table 2: Filter Plate Installation
Table 3: Control Solenoid Valve Assembly Installation
Table 4: Manual Shift Shaft Position Switch Installation
Table 5: Valve Body, Control Solenoid Torque Sequence
Table 6: Control Solenoid Valve Assembly Contact Gap Inspection
Table 7: Input and Output Speed Sensor Assembly Installation

Upper to Lower Control Valve Body Assembly Assemble


Object Number: 1627630  Size: MF

Upper to Lower Control Valve Body Assembly Assemble

Callout

Component Name

1

Control Valve Body Ball Check Valve (Qty: 7)

Notice: Do not use any type of grease or other material to hold the check ball valves in place during assembly. Grease will cause the valves to not operate properly, resulting in damage to the transmission.

Tip
Refer to Ball Check Valve Locations .

2

Control Valve Body Spacer (w/Gasket) Plate Assembly

Notice: Do not use the old spacer plate. Install a NEW spacer plate. Reusing an old spacer plate may cause internal transmission leaks and transmission damage.

3

Control Valve Lower Body Assembly

Tip
Turn the valve body assembly over after installing to upper body.

4

Bolt M5 x 36 (Qty: 12)

Notice: Refer to Fastener Notice in the Preface section.

Procedure

Tighten the bolts in the sequence shown.

Tighten
8 N·m (71 lb in).

Filter Plate Installation


Object Number: 1627652  Size: MF

Filter Plate Installation

Callout

Component Name

1

Filter Plate Assembly

Notice: Use care when handling the control valve body assembly. If dropped, damage to the control solenoid valve body assembly internal components, including the transmission control module (TCM), may result.

Notice: Discard the filter plate. Replace with a NEW filter plate. Reusing an old filter plate may cause damage to the control solenoid valve assembly.

Tip
Use care when removing or installing the filter plate assembly. However, if a retaining tab is broken or missing, do not replace the control solenoid valve assembly. The filter plate assembly can still be adequately aligned.

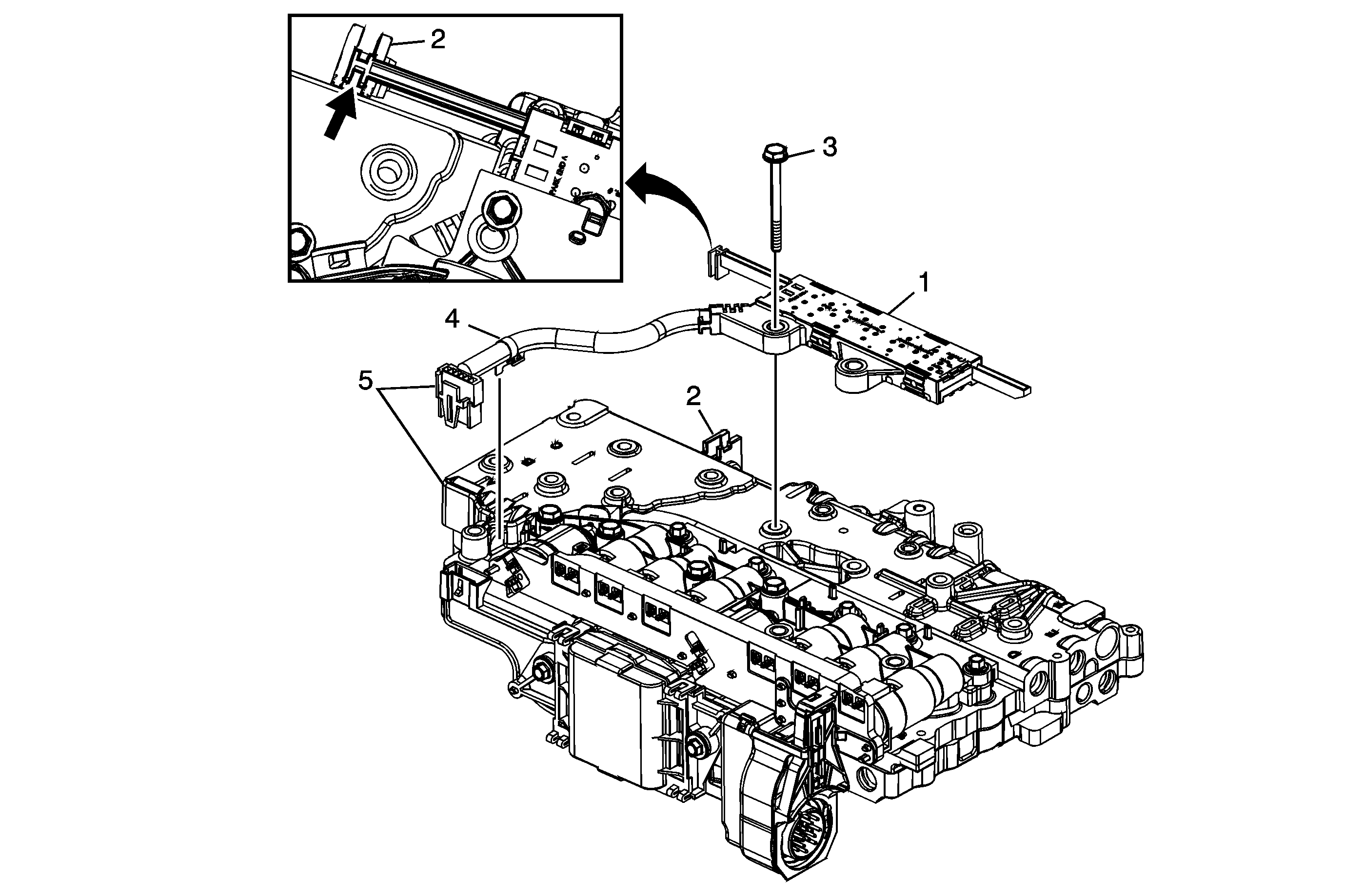
Control Solenoid Valve Assembly Installation


Object Number: 1627736  Size: MF

Control Solenoid Valve Assembly Installation

Callout

Component Name

1

Control Solenoid (w/Body and TCM) Valve Assembly

Tip
Note the locator pin on the control valve lower body assembly while aligning the control solenoid valve assembly.

2

Bolt M5 x 53 (Qty: 2)

Tip
Hand tighten only.

3

Bolt M5 x 55 (Qty: 4)

Tip
Hand tighten only.

4

Bolt M5 x 45 (Qty: 5)

Tip
Hand tighten only.

Manual Shift Shaft Position Switch Installation


Object Number: 1627745  Size: MF

Manual Shift Shaft Position Switch Installation

Callout

Component Name

1

A/Trans Manual Shift Shaft Position Switch Assembly

2

Manual Valve Link

Tip
Align the switch activator slide with the manual valve link.

3

Bolt M5 x 55

Tip
Hand tighten only.

4

A/Trans Manual Shift Shaft Position Switch Harness Clip

Tip
The wiring harness clip on the manual shift shaft position switch does not need to be replaced if damaged or missing. The clip functions only as a manufacturing assembly aid to keep the harness clear during an automated bolt installation process. If the clip is damaged, simply remove and discard.

5

A/Trans Manual Shift Shaft Position Switch Electrical Connector

Tip
Connect and lock the manual shift shaft position switch electrical connector to the control solenoid valve assembly.

Valve Body, Control Solenoid Torque Sequence


Object Number: 1627747  Size: MF

Valve Body, Control Solenoid Torque Sequence

Callout

Component Name

Notice: Bolt torque sequencing is critical to the proper function of the control solenoid valve assembly. Failure to follow the required sequencing may result in transmission malfunction.

Preliminary Procedure

  1. Hand tighten the last 6 bolts before final torque sequence.
  2. The 2 "heat sink" bolts must be tightened last.

1

Bolts M5 x 45 (Qty: 5)

2

Bolt M5 x 55

Notice: Refer to Fastener Notice in the Preface section.

Procedure

Tighten all 18 bolts in the sequence shown.

Tighten
8 N·m (71 lb in).

Control Solenoid Valve Assembly Contact Gap Inspection


Object Number: 1681608  Size: MF

Control Solenoid Valve Assembly Contact Gap Inspection

Callout

Component Name

1

Control Solenoid (w/Body and TCM) Valve Assembly

Tip
Inspect the contact area between the "heat sink" area of the control solenoid valve assembly and the valve body. There should be no visible gap. If a gap exists, loosen all 18 bolts and retighten in the required sequence.

Input and Output Speed Sensor Assembly Installation


Object Number: 1627754  Size: MF

Input and Output Speed Sensor Assembly Installation

Callout

Component Name

1

A/Trans Input and Output Speed Sensor Wiring Harness Clip (Qty: 2)

Tip
Inspect the 2 wiring harness clips for damage. Replace if damaged.

2

A/Trans Input and Output Speed Sensor Assembly

3

Bolt M6 x 20 (Qty: 2)

Notice: Refer to Fastener Notice in the Preface section.

Tighten
12 N·m (106 lb in)