GM Service Manual Online
For 1990-2009 cars only

Tools Required

    • J 2619-01 Slide Hammer
    • J 3289-20 Holding Fixture
    • J 26941 Bushing and Bearing Remover - 3-4 inch
    • J 45124 Puller Bridge
    • J-45124-9 Puller Legs
    • J 45358 Case Spreader
    • J 45380 Transfer Case Rear Bushing Remover and Installer
    • J 45548 Mainshaft Support Bushing/Bearing Remover
    • J 45759 Assembly Fixture

    Object Number: 824069  Size: SH
  1. Attach the J 45759 to the transfer case using the adapter studs. All of the transfer case disassembly procedures can be performed with the case mounted to the J 45759 .

  2. Object Number: 819573  Size: SH
  3. Mount the J 3289-20  (1) to a sturdy workbench.
  4. Install the J 45759  (2) into J 3289-20  (1) and secure with pivot pin.

  5. Object Number: 823193  Size: SH
  6. Remove the drain plug and the fill plug. Ensure all of the transfer case fluid is drained out of the transfer case.
  7. Notice: Refer to Transfer Case Seal Removal Notice in the Preface section.


    Object Number: 819585  Size: SH

    Important: The front output shaft seal is a two piece internal seal. The inner seal race is a force fit on the front output shaft.

  8. Remove the front output shaft seal by inserting a flat-tip screwdriver behind the inner race of the seal.
  9. Pry the inner seal race forward.

  10. Object Number: 819650  Size: SH
  11. Using a small pry bar, move the inner seal race forward on the front output shaft.
  12. Remove the inner seal race from the front output shaft.

  13. Object Number: 819658  Size: SH
  14. Insert a flat-tip screwdriver or a small pry bar between the outer lip of the front output shaft seal and the transfer case.
  15. Remove the remaining part of the front output shaft seal from the transfer case.
  16. Notice: Refer to Transfer Case Seal Removal Notice in the Preface section.


    Object Number: 819580  Size: SH
  17. Remove the rear output shaft seal by prying it out with a flat-blade screwdriver.

  18. Object Number: 819583  Size: SH
  19. Remove the transfer case retaining bolts and washers.
  20. Mark the location of the brackets.

    Notice: Refer to Machined Surface Damage Notice in the Preface section.


    Object Number: 819584  Size: SH
  21. Using the J 45358 between the tabs on the case halves, shear the sealer that is holding the case halves together.
  22. Using pry bars at each side of the case, remove the case from the locating pins.

  23. Object Number: 819587  Size: SH
  24. Remove the rear case half from the front case half. The rear output shaft will come with the rear case half.

  25. Object Number: 833002  Size: SH
  26. Remove the rear sun gear.

  27. Object Number: 833003  Size: SH
  28. Remove the sun gear thrust washer.

  29. Object Number: 833004  Size: SH
  30. Remove the planetary differential assembly.

  31. Object Number: 833005  Size: SH
  32. Remove the front sun gear.

  33. Object Number: 833007  Size: SH

    Important: If the chain and sprockets are to be used again, mark the relationship of the chain to the sprockets in order to mark the wear patterns.

  34. Remove the chain with the drive sprocket and driven sprocket.

  35. Object Number: 833010  Size: SH
  36. Remove the input shaft.

  37. Object Number: 833012  Size: SH
  38. Remove the front output shaft assembly.

  39. Object Number: 819620  Size: SH
  40. If the cup plug in the front output shaft is leaking, remove the plug using a brass drift.

  41. Object Number: 849322  Size: SH
  42. Using a hammer and a suitable punch, remove the input seal.

  43. Object Number: 1735571  Size: SH
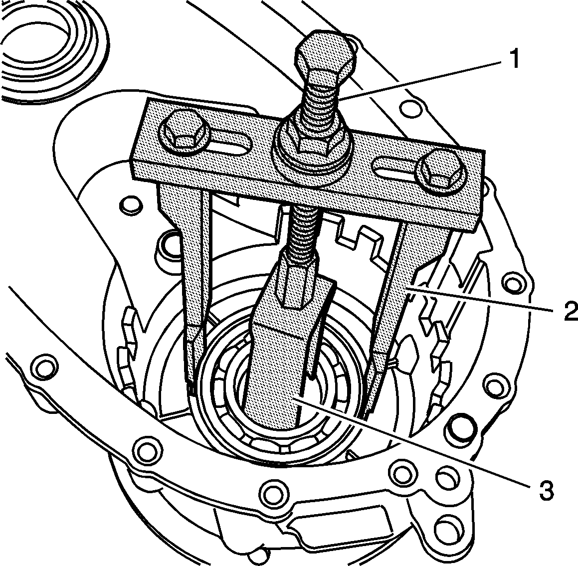
  44. Using the J 26941  (3), the J 45124  (1), and the J-45124-9  (2), remove the input shaft bearing for the front input shaft from the front case.

  45. Object Number: 819623  Size: SH
  46. Using a brass drift, remove the front output shaft bearing from the front case half.

  47. Object Number: 819664  Size: SH
  48. If necessary, remove the vent from the front case half.

  49. Object Number: 1549519  Size: SH
  50. Using J 45380 , remove the rear output shaft bushing.

  51. Object Number: 819630  Size: SH
  52. Remove the rear output shaft from the rear case half.
  53. 29.1. Spread the rear output shaft rear bearing outer retaining ring.
    29.2. Using a soft-face hammer, tap on the end of the rear output shaft.

    Object Number: 819634  Size: SH
  54. Remove the retaining ring for the rear output shaft bearing.

  55. Object Number: 819635  Size: SH
  56. Using a hydraulic press, remove the rear output shaft bearing.

  57. Object Number: 819654  Size: SH
  58. Inspect the mainshaft rear support bushing in the rear output shaft for being faulty. Refer to Transfer Case Cleaning and Inspection .
  59. Using the J 2619-01  (1) and the J 45548  (2), remove the mainshaft rear support bushing from the rear output shaft.

  60. Object Number: 1735568  Size: SH
  61. Using the J 26941  (3), the J 45124  (1), and the J-45124-9  (2), remove the rear bearing for the front output shaft from the rear case.