GM Service Manual Online
For 1990-2009 cars only

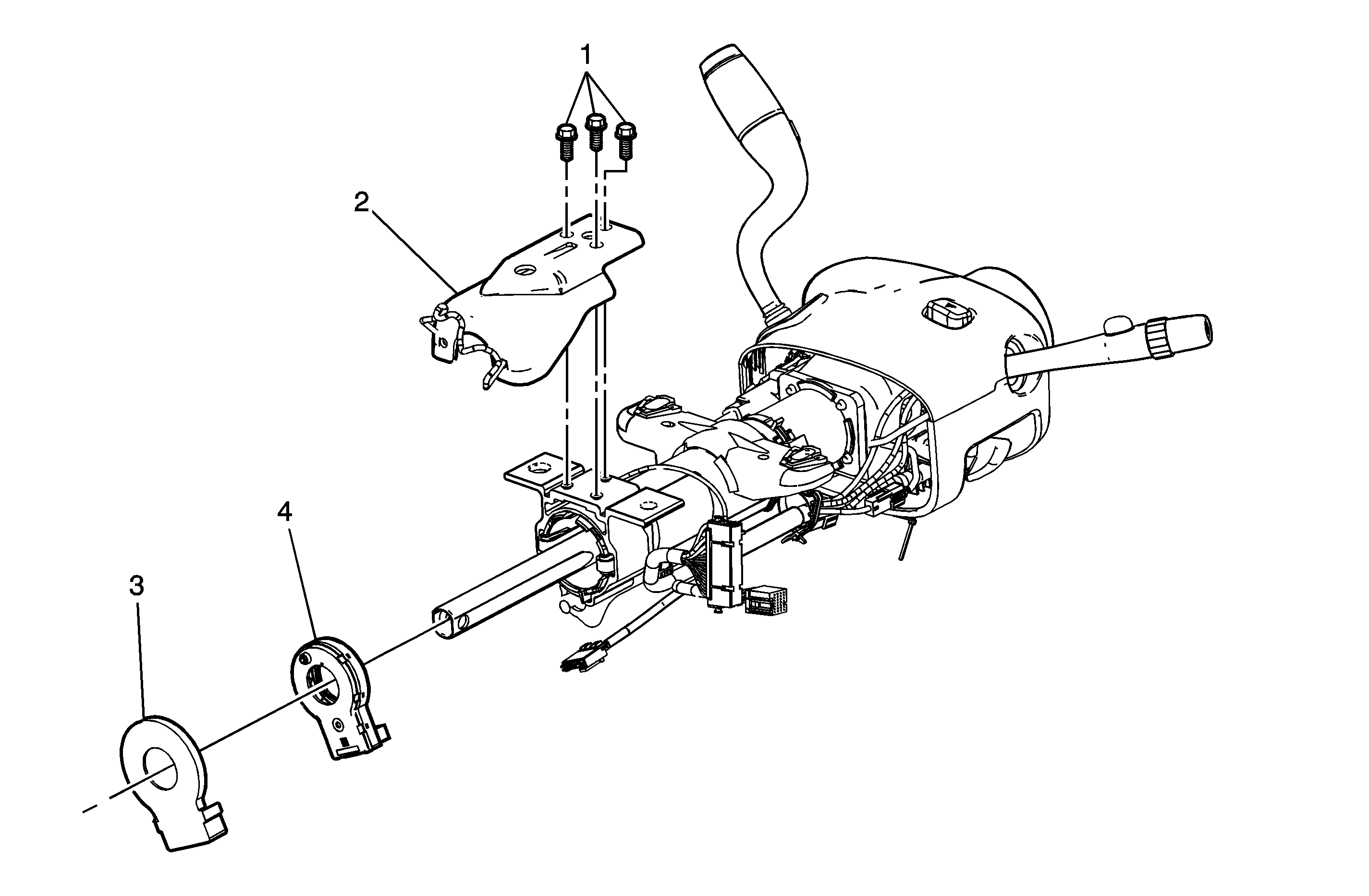
Object Number: 1725732  Size: MF

Callout

Component Name

Preliminary Procedure

Remove the steering column. Refer to Steering Column Replacement.

1

Steering Column Bracket Screw (Qty: 3)

Notice: Refer to Fastener Notice in the Preface section.

Tighten
6 N·m (53 lb in)

2

Steering Column Bracket

3

Steering Wheel Position Sensor Retaining Clip

4

Steering Wheel Position Sensor

Procedure

Disconnect any electrical connectors as needed.

Tip

    • When reusing a steering wheel position sensor, you must install a pin into the sensor before removal or the sensor will lose its centered position and must be discarded. The pin diameter must be in the range of 1-2 mm.
    • A new steering wheel position sensor will come with a pin installed in the sensor. The steering wheel position sensor will already come centered, DO NOT remove the pin until the steering wheel position sensor is properly seated.
    • During installation the steering wheel position sensor must be set with approximately 3 mm gap between it and the bearing adapter.