GM Service Manual Online
For 1990-2009 cars only

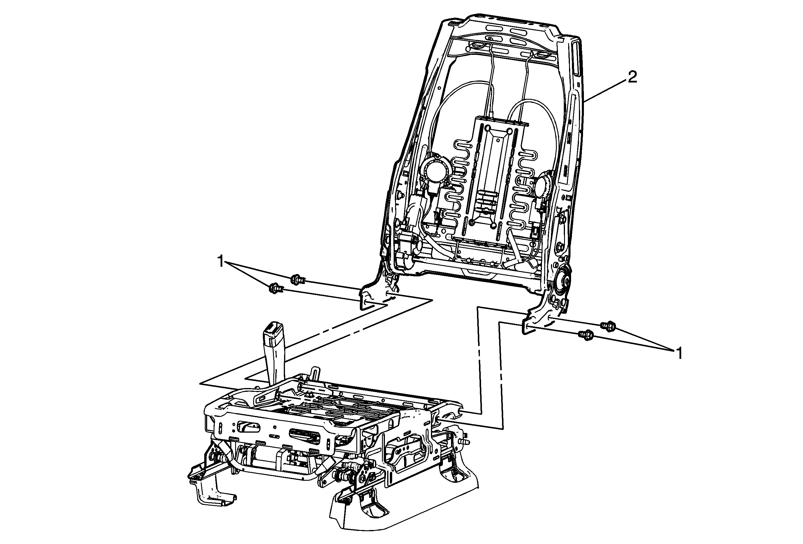
Object Number: 1950027  Size: MF

Callout

Component Name

Preliminary Procedure

  1. Remove the front seat. Refer to Front Seat Replacement - Bucket .
  2. Remove the front seat back cushion cover and pad. Refer to Front Seat Back Cushion Cover and Cushion Pad Replacement .
  3. Remove the front seat cushion cover and pad. Refer to Seat Cushion Trim Cover and Pad Replacement .

1

Front Seat Back Frame Bolt (Qty: 4)

Notice: Refer to Fastener Notice in the Preface section.

Tighten
50 N·m (37 lb ft)

2

Seat Back Frame

Procedure

  1. Disconnect the electrical connector, if equipped.
  2. When replacing the seat back frame transfer components as necessary.