GM Service Manual Online
For 1990-2009 cars only

Auxiliary HVAC Module Replacement Tahoe/Yukon/Escalade

Tools Required

J 39400-A Halogen Leak Detector

Removal Procedure

  1. Recover the refrigerant from the A/C system. Refer to Refrigerant Recovery and Recharging .
  2. Drain the engine coolant. Refer to Cooling System Draining and Filling .
  3. Raise the vehicle. Refer to Lifting and Jacking the Vehicle .

  4. Object Number: 1681365  Size: SH
  5. Disconnect the heater lines (2, 3) from the auxiliary HVAC module at the underside of the vehicle.
  6. Disconnect the air conditioning lines (4, 5) from the auxiliary HVAC module at the underside of the vehicle.
  7. Remove the nuts (6) from the studs (1) that secure the auxiliary HVAC module to the underside of the vehicle.
  8. Lower the vehicle.
  9. Remove the right rear quarter trim panel. Refer to Rear Quarter Trim Panel Replacement - Right Side .
  10. Disconnect the electrical connectors from the Auxiliary HVAC module.

  11. Object Number: 612462  Size: SH
  12. Remove the fastener (5) for the upper auxiliary air duct (1). Carefully slide the duct up, into the headliner, until the bottom edge of the duct is above the air distributor duct.

  13. Object Number: 612394  Size: SH
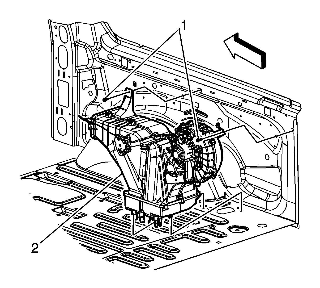
  14. Remove the fasteners (3) retaining the auxiliary HVAC module to the vehicle.
  15. Remove the auxiliary HVAC module (4) from the vehicle.

Installation Procedure


    Object Number: 612394  Size: SH
  1. Install the auxiliary HVAC module assembly  (4) to the vehicle.
  2. Install the 2 bolts (3) inside the vehicle in order to retain the auxiliary HVAC module to the vehicle.

  3. Object Number: 612462  Size: SH
  4. Install the upper auxiliary air duct (1) to the air distributor duct. Install the fastener (5).
  5. Connect the electrical connectors to the auxiliary HVAC module.
  6. Install the right rear quarter trim panel. Refer to Rear Quarter Trim Panel Replacement - Right Side .
  7. Raise the vehicle.
  8. Notice: Refer to Fastener Notice in the Preface section.


    Object Number: 1681365  Size: SH
  9. Install the nuts (6) that secure the auxiliary HVAC module to the vehicle.
  10. Tighten
    Tighten the nuts to 9 N·m (80 lb in).

  11. Install the air conditioning lines (4, 5) and the nut (4) to the auxiliary HVAC module.
  12. Tighten
    Tighten the nut to 16 N·m (12 lb ft).


    Object Number: 1681365  Size: SH
  13. Install the heater lines (2, 3) to the auxiliary HVAC module at the underside of vehicle.
  14. Lower the vehicle.
  15. Fill the engine coolant. Refer to Cooling System Draining and Filling .
  16. Recharge the refrigerant to the system. Refer to Refrigerant Recovery and Recharging .
  17. Leak test the fittings of the component using the J 39400-A .

Auxiliary HVAC Module Replacement Suburban XL

Tools Required

J 39400-A Halogen Leak Detector

Removal Procedure

  1. Recover the refrigerant from the A/C system. Refer to Refrigerant Recovery and Recharging .
  2. Drain the engine coolant. Refer to Cooling System Draining and Filling .
  3. Raise the vehicle. Refer to Lifting and Jacking the Vehicle .

  4. Object Number: 1681365  Size: SH
  5. Disconnect the heater lines (2, 3) from the auxiliary HVAC module at the underside of the vehicle.
  6. Disconnect the air conditioning lines (4, 5) from the auxiliary HVAC module at the underside of the vehicle.
  7. Remove the nuts (6) from the studs (1) that secure the auxiliary HVAC module to the underside of the vehicle.
  8. Lower the vehicle.
  9. Remove the right rear quarter trim panel. Refer to Rear Quarter Trim Panel Replacement - Right Side .
  10. Disconnect the electrical connectors from the auxiliary HVAC module.

  11. Object Number: 1846828  Size: SH
  12. Remove the forward auxiliary air duct from HVAC module.
  13. Remove the fasteners (1) retaining the auxiliary HVAC module to the vehicle.
  14. Remove the auxiliary HVAC module (2) from the vehicle.

Installation Procedure


    Object Number: 1846828  Size: SH
  1. Install the auxiliary HVAC module assembly  (2) to the vehicle.
  2. Install the 2 bolts (1) inside the vehicle in order to retain the auxiliary HVAC module to the vehicle.
  3. Install the forward auxiliary air duct.
  4. Connect the electrical connectors to the auxiliary HVAC module.
  5. Install the right rear quarter trim panel. Refer to Rear Quarter Trim Panel Replacement - Right Side .
  6. Raise the vehicle.
  7. Notice: Refer to Fastener Notice in the Preface section.


    Object Number: 1681365  Size: SH
  8. Install the nuts (6) that secure the auxiliary HVAC module to the vehicle.
  9. Tighten
    Tighten the nuts to 9 N·m (80 lb in).

  10. Install the air conditioning lines (4, 5) and the nut  to the auxiliary HVAC module.
  11. Tighten
    Tighten the nut to 16 N·m (12 lb ft).

  12. Install the heater lines (2, 3) to the auxiliary HVAC module at the underside of vehicle.
  13. Lower the vehicle.
  14. Fill the engine coolant. Refer to Cooling System Draining and Filling .
  15. Recharge the refrigerant to the system. Refer to Refrigerant Recovery and Recharging .
  16. Leak test the fittings of the component using the J 39400-A .