GM Service Manual Online
For 1990-2009 cars only

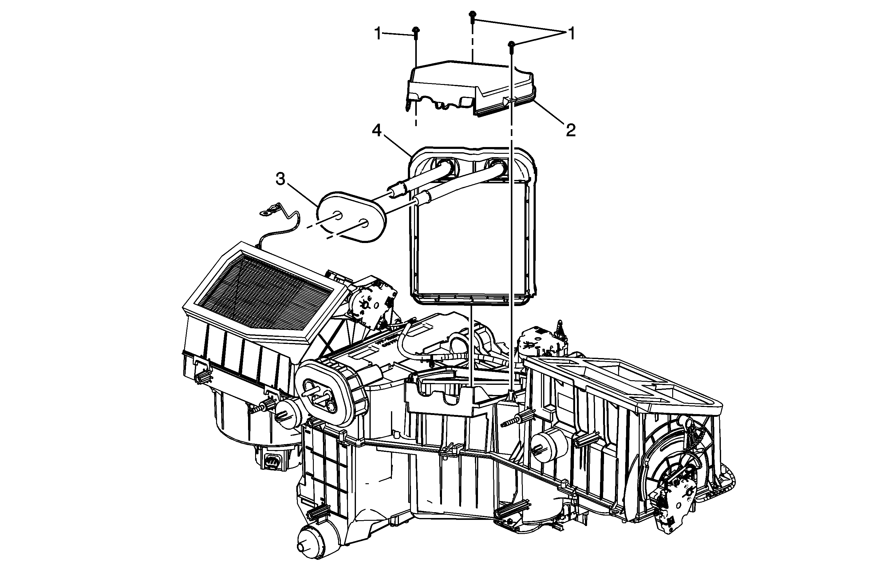
Object Number: 1686236  Size: MF

Callout

Component Name

Preliminary Procedure

  1. Remove the HVAC module. Refer to HVAC Module Assembly Replacement .
  2. Disconnect the wiring harness retainer from the heater core cover.

1

Heater Core Cover Screw

Notice: Refer to Fastener Notice in the Preface section.

Tighten
1.5 N·m (14 lb in)

2

Heater Core Cover

Tighten
1.5 N·m (14 lb in)

3

Heater Core Pass Through Seal

4

Heater Core