GM Service Manual Online
For 1990-2009 cars only
Makes
🢒
Cadillac
🢒
2007
🢒
Escalade EXT
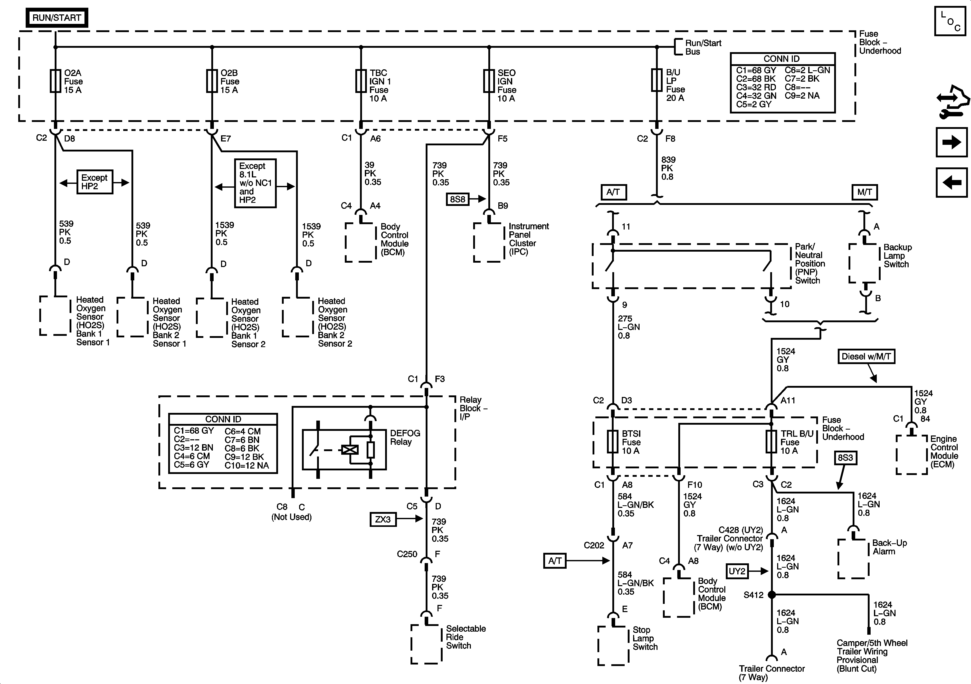
🢒 B/U LP, BTSI, O2A, O2B, SEO IGN, TBC IGN 1, and TRL B/U Fuses
B/U LP, BTSI, O2A, O2B, SEO IGN, TBC IGN 1, and TRL B/U Fuses
B/U LP, BTSI, O2A, O2B, SEO IGN, TBC IGN 1, and TRL B/U Fuses
Master Electrical Component List
Control Module References
IGN E and AIRBAG Fuses
4WD, BRK, CRUISE, HTR/AC and HVAC 1 Fuses
Ignition Switch - ACC/RUN and RUN/START BUS BARS and IGN B Fuse