GM Service Manual Online
For 1990-2009 cars only
Makes
🢒
Cadillac
🢒
2007
🢒
Escalade EXT
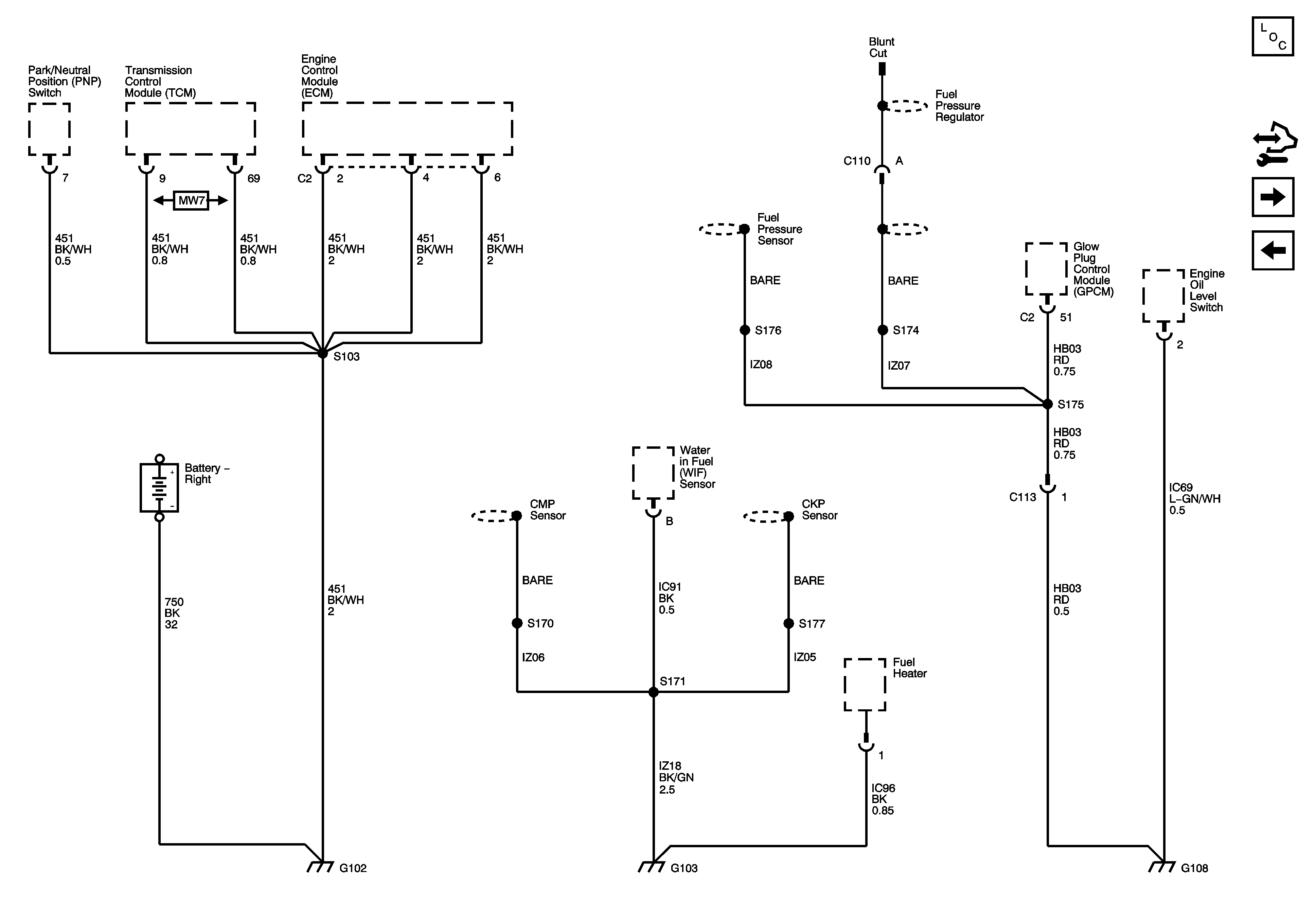
🢒 G102, G103 and G108 - Diesel
G102, G103 and G108 - Diesel
G102, G103 and G108 - Diesel
Master Electrical Component List
Control Module References
G104, G107, and G110
G103 and G106 - Gas