GM Service Manual Online
For 1990-2009 cars only
Makes
🢒
Cadillac
🢒
2007
🢒
Escalade EXT
🢒 G200 - 2 of 2
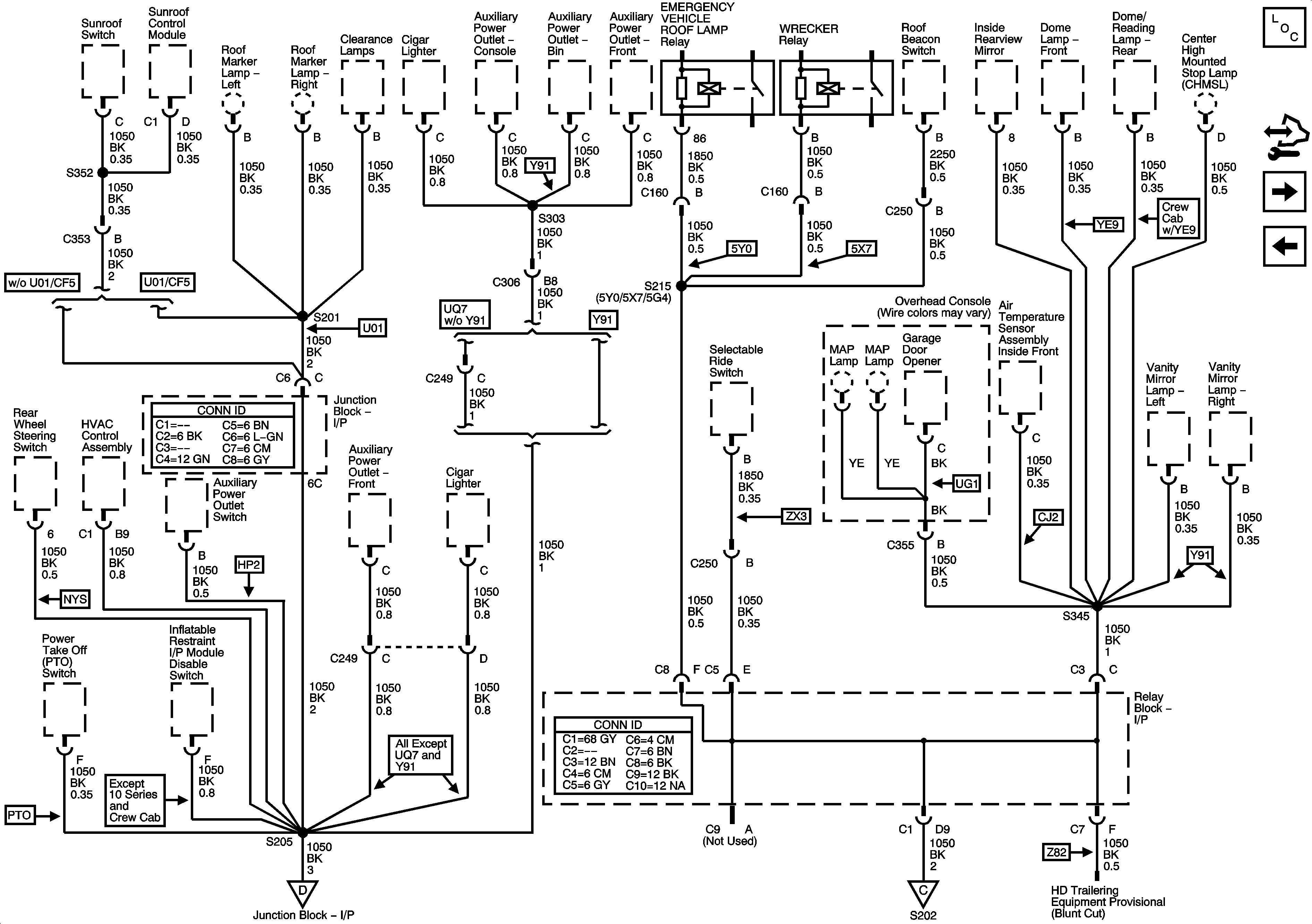
G200 - 2 of 2
G200 2 of 2
Master Electrical Component List
Control Module References
G203 - 1 of 2
G115 and G200 - 1 of 2
G115 and G200 - 1 of 2
G115 and G200 - 1 of 2