GM Service Manual Online
For 1990-2009 cars only
Makes
🢒
Cadillac
🢒
2007
🢒
Escalade EXT
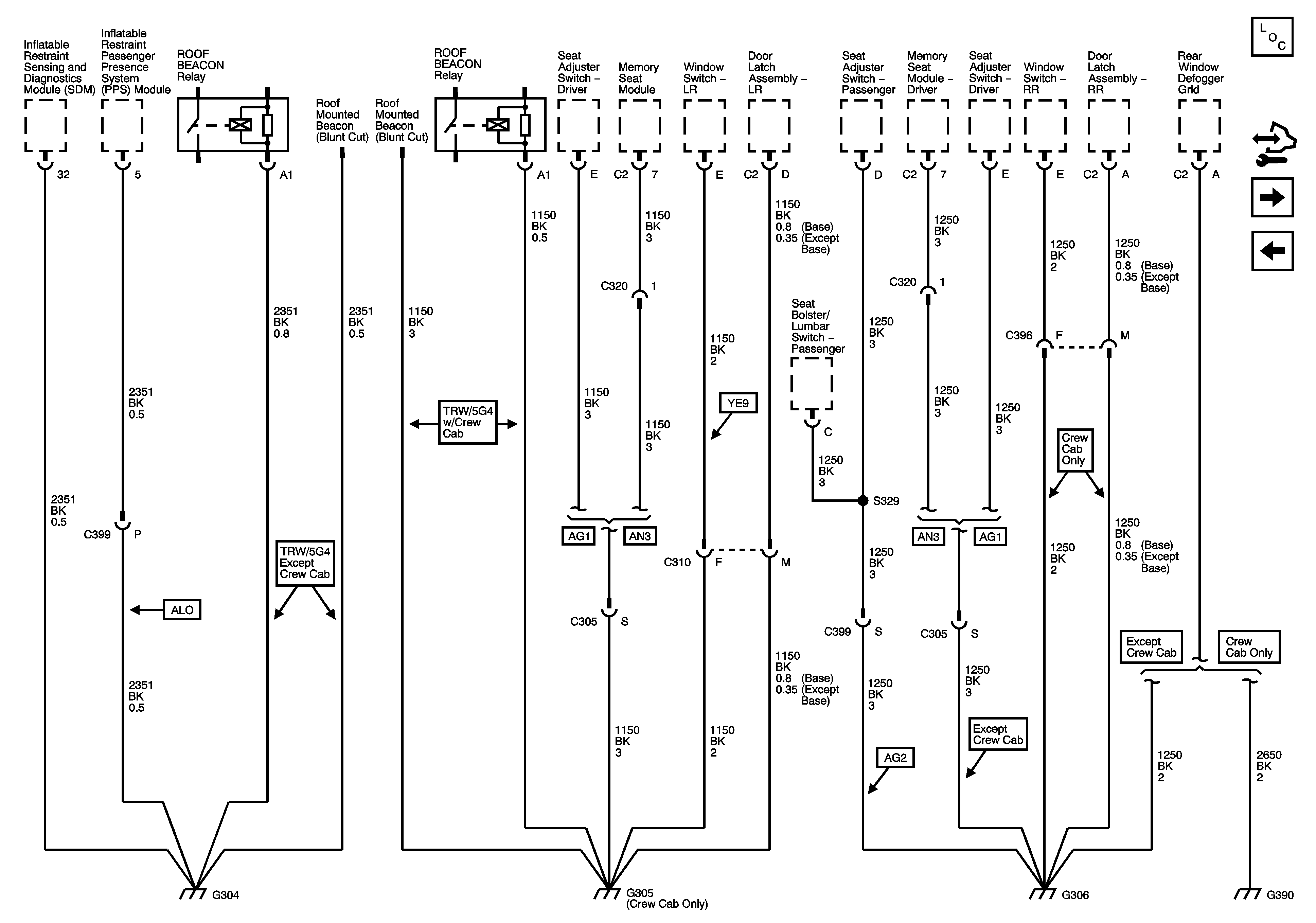
🢒 G304, G305, G306, and G390
G304, G305, G306, and G390
G304, G305, G306, and G390
Master Electrical Component List
Control Module References
G401
G302