GM Service Manual Online
For 1990-2009 cars only
Makes
🢒
Cadillac
🢒
2007
🢒
Escalade EXT
🢒 8.1L and Diesel
8.1L and Diesel
8.1L and Diesel
Master Electrical Component List
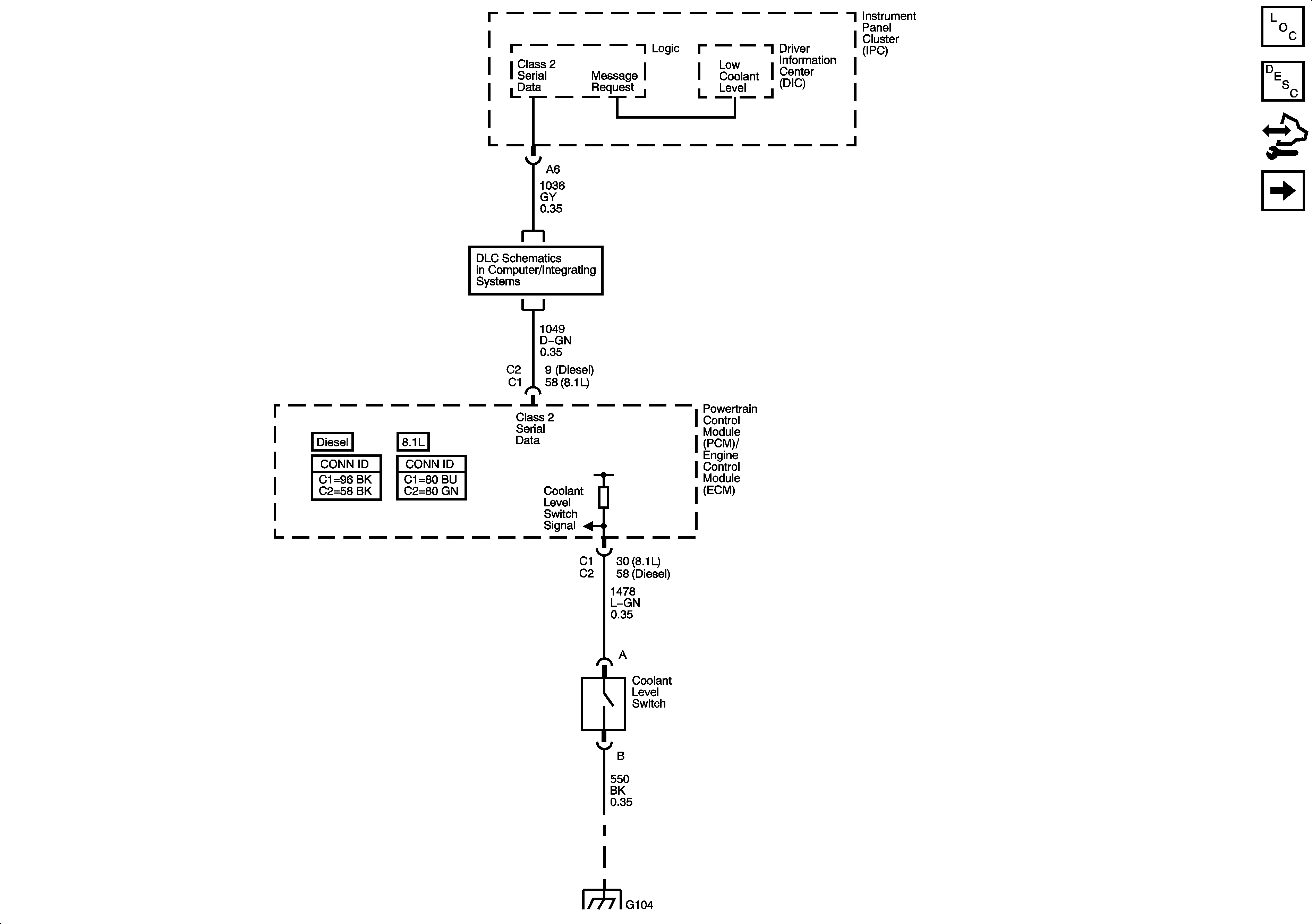
Cooling System Description and Operation
Control Module References
10 Series
Power, Ground, DLC, and Splice Pack SP205
G104, G107, and G110