GM Service Manual Online
For 1990-2009 cars only
Makes
🢒
Cadillac
🢒
2007
🢒
Escalade EXT
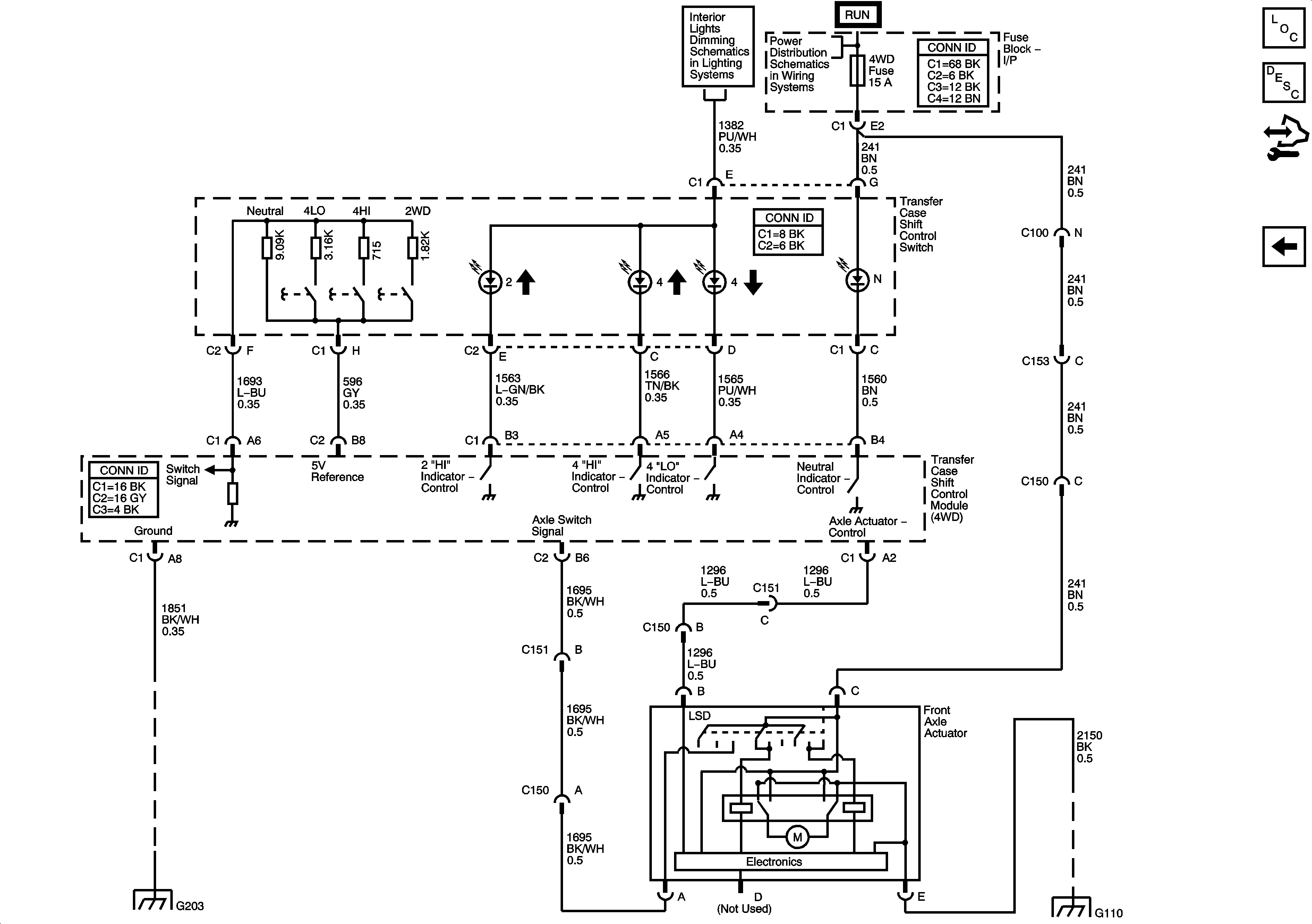
🢒 Front Axle Actuator and Switch Controls
Front Axle Actuator and Switch Controls
Front Axle Actuator and Switch Controls
Master Electrical Component List
Transfer Case Description and Operation
Control Module References
Power, Ground, Serial Data, and Transfer Case Encoder Motor
LED Dimming Supply - 2 of 2
Ignition Switch - START, RUN, and ACC/RUN/START BUS BARS, IGN A and CRNK Fuses
G203 - 1 of 2
G104, G107, and G110