GM Service Manual Online
For 1990-2009 cars only
Makes
🢒
Cadillac
🢒
2007
🢒
Escalade EXT
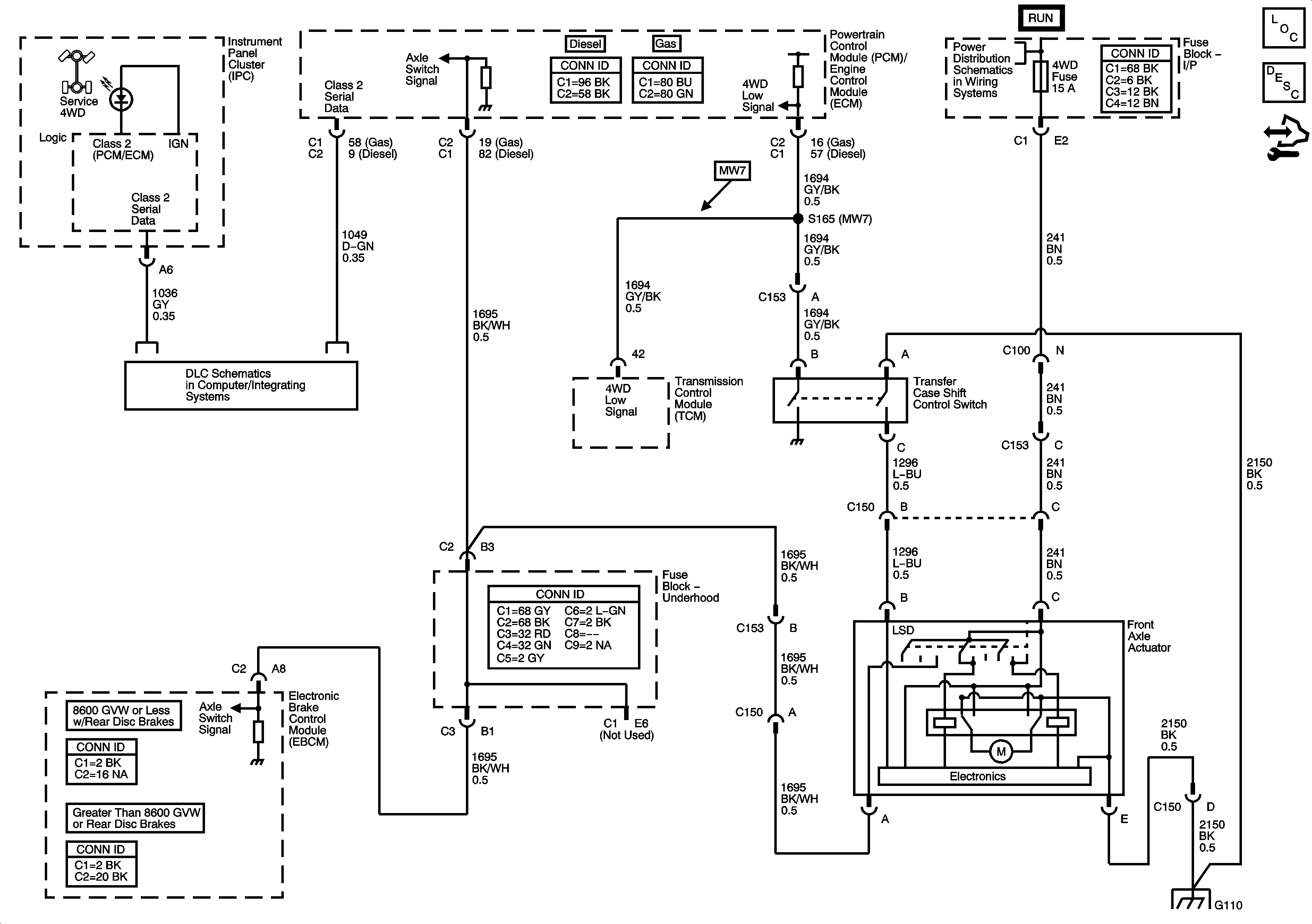
🢒 Transfer Case Control Schematics
Transfer Case Control Schematics
Master Electrical Component List
Transfer Case Description and Operation
Control Module References
Power, Ground, DLC, and Splice Pack SP205
G104, G107, and G110
4WD, BRK, CRUISE, HTR/AC and HVAC 1 Fuses