GM Service Manual Online
For 1990-2009 cars only
Makes
🢒
Cadillac
🢒
2007
🢒
Escalade EXT
🢒 Power, Ground, Serial Data, Indicator Control, and Switches
Power, Ground, Serial Data, Indicator Control, and Switches
Power, Ground, Serial Data, Indicator Control, and Switches
Master Electrical Component List
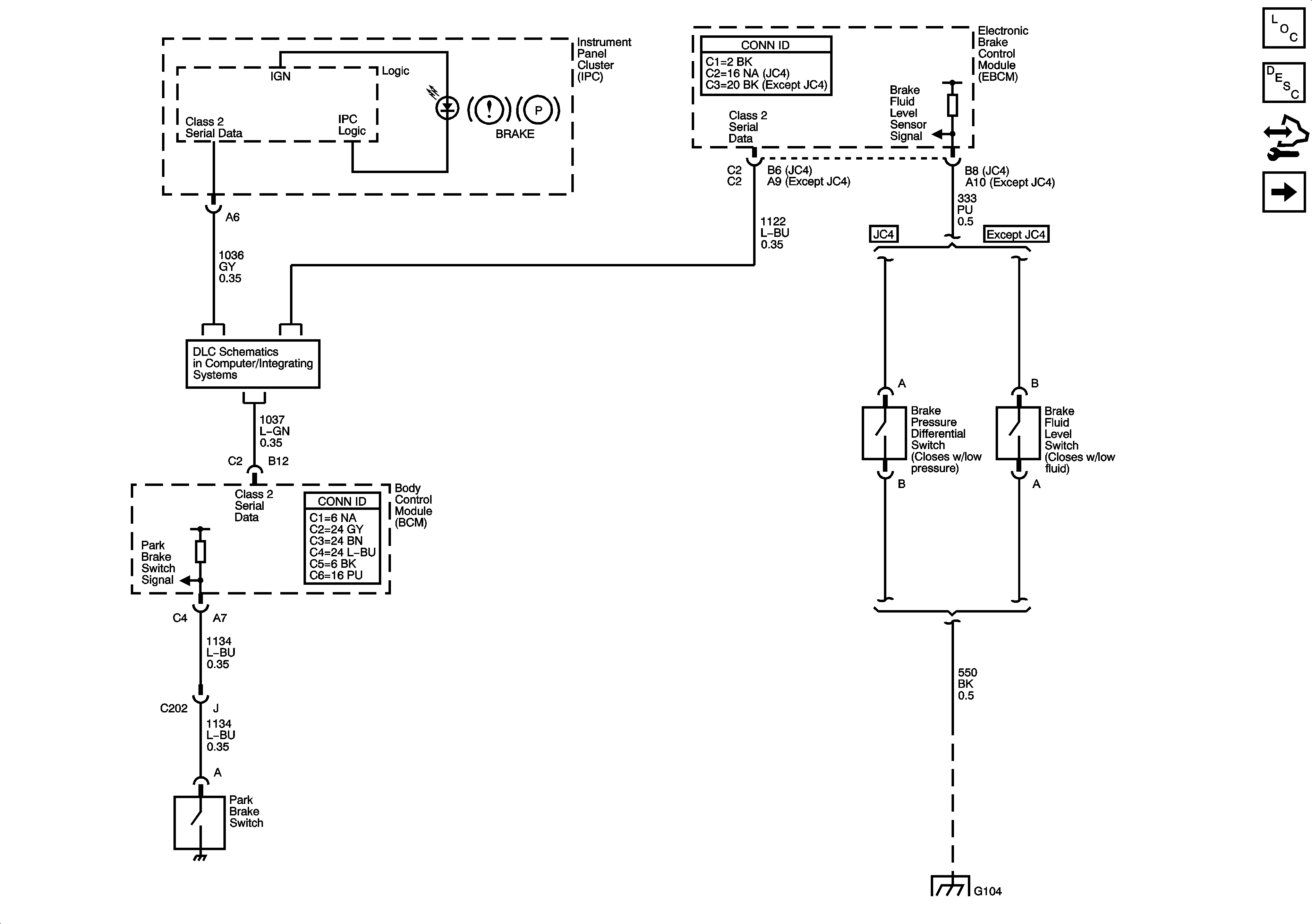
Brake Warning System Description and Operation
Control Module References
Supplemental Brake Assist
Power, Ground, DLC, and Splice Pack SP205
G104, G107, and G110