GM Service Manual Online
For 1990-2009 cars only
Makes
🢒
Cadillac
🢒
2007
🢒
Escalade EXT
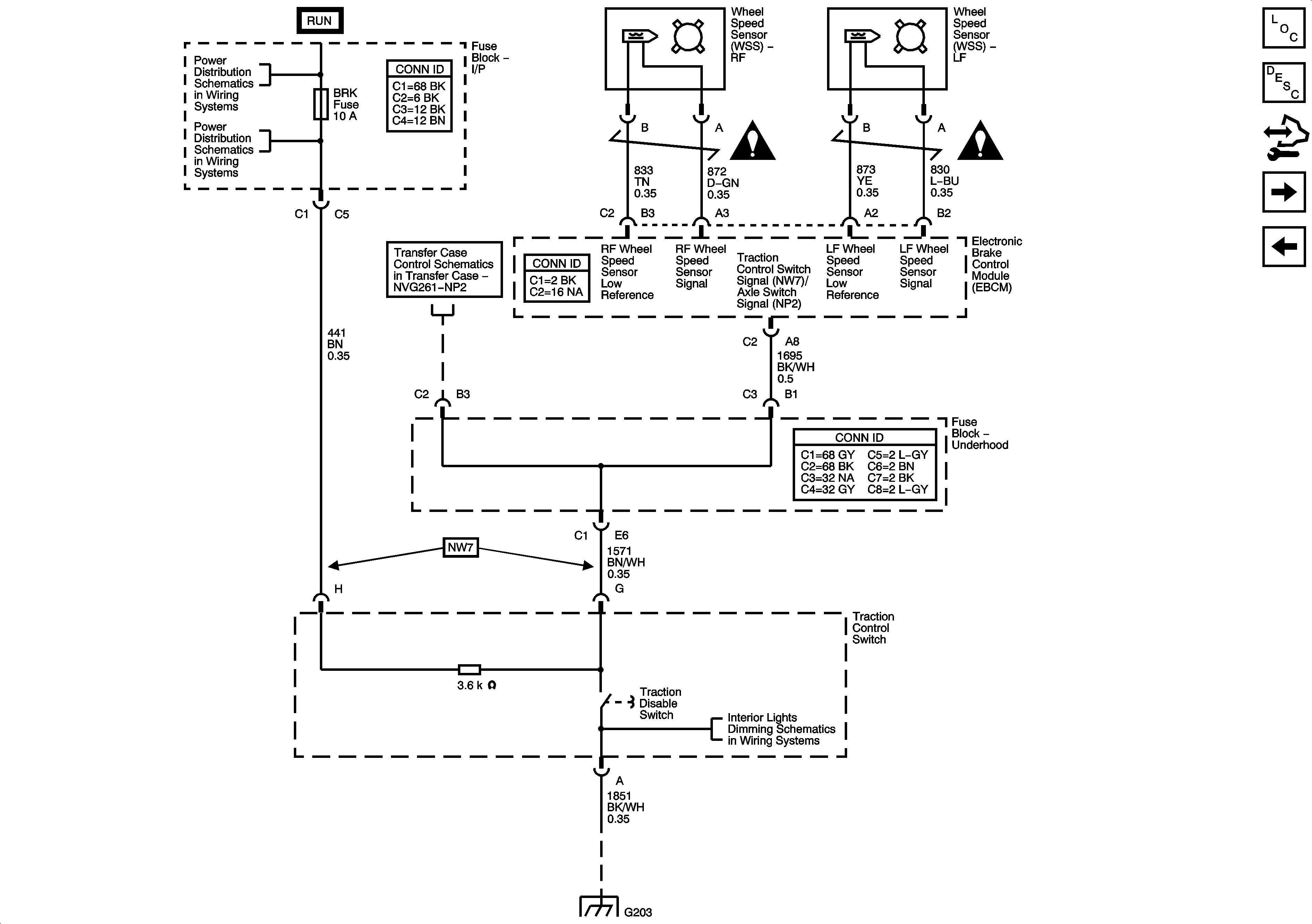
🢒 Traction Control Switch and Wheel Speed Sensors - 8600 GVW or less w/Rear Disc Brakes
Traction Control Switch and Wheel Speed Sensors - 8600 GVW or less w/Rear Disc Brakes
Traction Control Switch and Wheel Speed Sensors - 8600 GVW or Less w/Rear Disc Brakes
Master Electrical Component List
ABS Description and Operation (8600 GVW or Less W/Rear Disc Brake)
Control Module References
Power, Ground, Serial Data, Indicator, and Stop Lamp Switch - Greater than 8600 GVW or w/Rear Drum Brakes
Power, Ground, Serial Data, Indicator, and Stop Lamp Switch - 8600 GVW or less w/Rear Disc Brakes
Ignition Switch - START, RUN, and ACC/RUN/START BUS BARS, IGN A and CRNK Fuses
4WD, BRK, CRUISE, HTR/AC and HVAC 1 Fuses
G104, G107, and G110
I/P Lamps Dimming Control Supply - 1 of 3
G203 - 1 of 2