GM Service Manual Online
For 1990-2009 cars only
Makes
🢒
Cadillac
🢒
2007
🢒
Escalade EXT
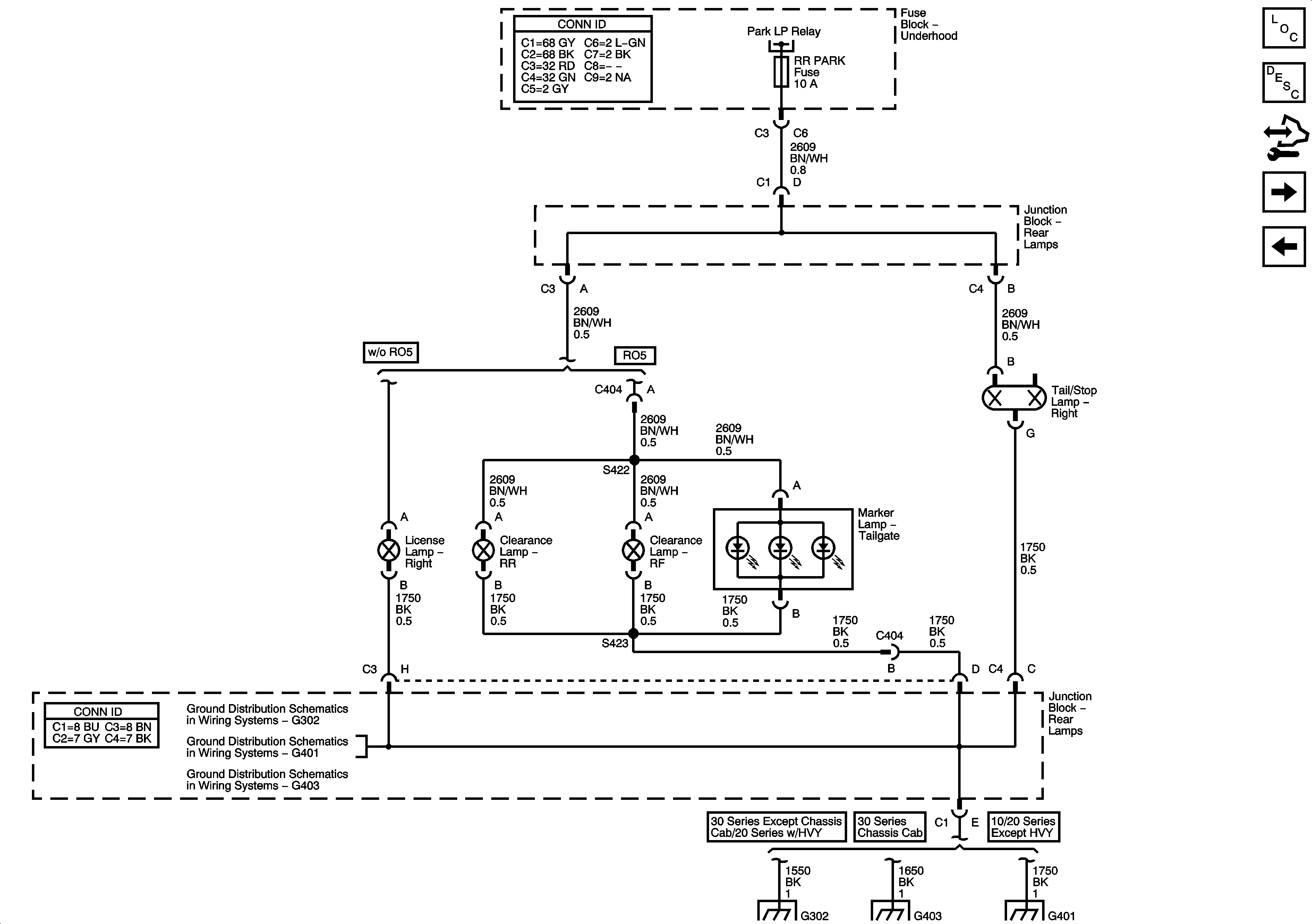
🢒 Right Rear Park Lamps - GMC
Right Rear Park Lamps - GMC
Right Rear Park Lamps - GMC
Master Electrical Component List
Exterior Lighting Systems Description and Operation
Control Module References
Right Rear Park Lamps - Chevrolet
Interior Park
G302
G401
G403
G302
G403
G401
Park Lamp Relay Control and Front Park Lamps