GM Service Manual Online
For 1990-2009 cars only
Makes
🢒
Cadillac
🢒
2007
🢒
Escalade EXT
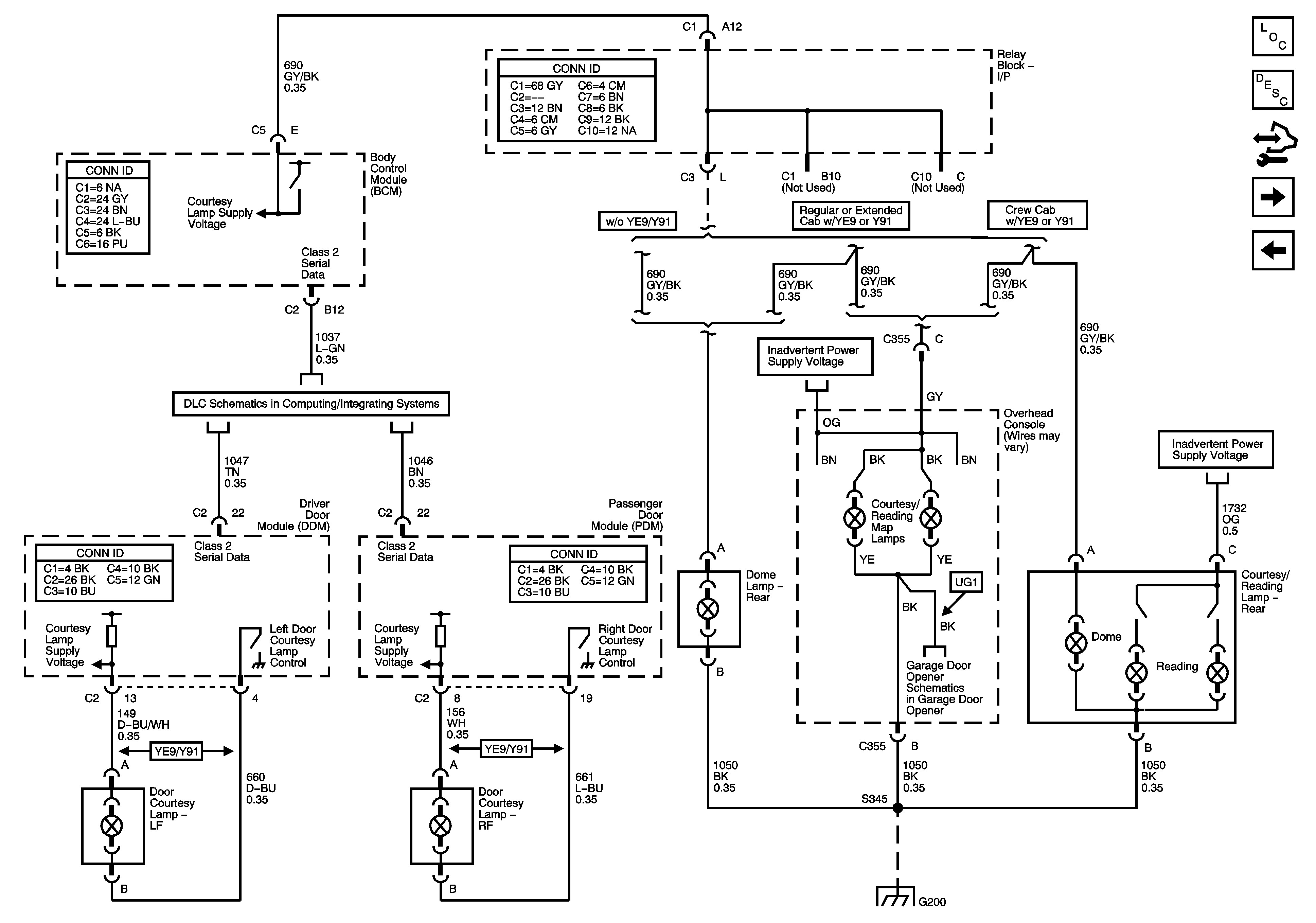
🢒 Interior Lamps - 2 of 2
Interior Lamps - 2 of 2
Interior Lamps 2 of 2
Master Electrical Component List
Interior Lighting Systems Description and Operation
Control Module References
Door Jamb Switches (YE9/Y91)
Interior Lamp Controls and Interior Lamps - 1 of 2
Power, Ground, DLC, and Splice Pack SP205
Interior Lamp Controls and Interior Lamps - 1 of 2
G115 and G200 - 1 of 2
Interior Lamp Controls and Interior Lamps - 1 of 2